全球最实用的IT互联网信息网站!
AI人工智能P2P分享&下载搜索网页发布信息网站地图
控制级设计在智能工厂自动化系统中所面临的挑
阅读全文2023-04-12
直接成像数字曝光技术“打印”创新未来
Rico Board在光纤熔接机中的应用
固态继电器的现代设计思维
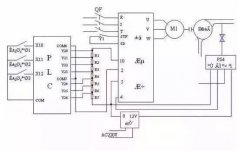
变频器的基础知识
提升工业应用中的隔离式、分离轨功率设计
各种步进电机分类、原理、参数
传感器与PLC的接线方法和原理
S7-200 SMART PLC的应用案例
数值在CPU存储的原理解析
pwm控制的基本原理
日本HarmonicDrive哈默纳科谐波减速机的三大
支持工业4.0工厂的大规模定制、高质量和
机器视觉系统的主要工作流程是怎样的
CPU | 内存 | 硬盘 | 显卡 | 显示器 | 主板 | 电源 | 键鼠 | 网站地图
Copyright © 2025-2035 诺佳网 版权所有 备案号:赣ICP备2025066733号 本站资料均来源互联网收集整理,作品版权归作者所有,如果侵犯了您的版权,请跟我们联系。