全球最实用的IT互联网信息网站!
AI人工智能P2P分享&下载搜索网页发布信息网站地图
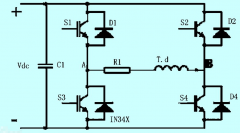
直流电机控制电路的工作原理和接线方法
阅读全文2023-03-27
电动机综合保护器脱扣等级和参数设置
反应式步进电机与混合式步进电机的区别
反应式步进电机什么情况下会停机
反应式步进电机的结构 反应式步进电机工作原理
直流电机正反转控制电路的工作原理
变频器必须要了解的驱动负载特性
电动机综合保护器过载解决方法 如何安装
励磁涌流的衰减时间
励磁涌流的特点
pwm控制的基本原理
日本HarmonicDrive哈默纳科谐波减速机的三大
支持工业4.0工厂的大规模定制、高质量和
机器视觉系统的主要工作流程是怎样的
CPU | 内存 | 硬盘 | 显卡 | 显示器 | 主板 | 电源 | 键鼠 | 网站地图
Copyright © 2025-2035 诺佳网 版权所有 备案号:赣ICP备2025066733号 本站资料均来源互联网收集整理,作品版权归作者所有,如果侵犯了您的版权,请跟我们联系。