全球最实用的IT互联网信息网站!
AI人工智能P2P分享&下载搜索网页发布信息网站地图
热敏干簧继电器的使用方法和注意事项
阅读全文2023-03-22
热敏干簧继电器的好坏测量方法 选型因素考虑
如何选择PLC?关于PLC基础知识汇总
热敏干簧继电器的特点 热敏干簧继电器的选型
PLC与伺服电机的接线方法
PLC控制伺服电机正反转的工作原理和接线方法
热敏干簧继电器的原理、作用和工作特性
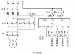
PLC控制电动机正反转电路原理分析和接线方法
电动机控制电路原理分析和接线方法
压力继电器的选型事项 如何调整压力
pwm控制的基本原理
日本HarmonicDrive哈默纳科谐波减速机的三大
支持工业4.0工厂的大规模定制、高质量和
机器视觉系统的主要工作流程是怎样的
CPU | 内存 | 硬盘 | 显卡 | 显示器 | 主板 | 电源 | 键鼠 | 网站地图
Copyright © 2025-2035 诺佳网 版权所有 备案号:赣ICP备2025066733号 本站资料均来源互联网收集整理,作品版权归作者所有,如果侵犯了您的版权,请跟我们联系。