全球最实用的IT互联网站!
人工智能P2P分享搜索全网发布信息网站地图标签大全
智能变送器怎么调试
阅读全文2023-03-22
智能变送器是干什么用的
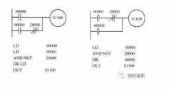
plc梯形图的编程规则
plc控制系统的组成
plc控制系统是什么?
plc控制系统的优缺点
plc控制柜的型号
压力继电器的主要性能和常见的规格型号
dcs控制系统的作用
dcs系统用什么编程
pwm控制的基本原理
日本HarmonicDrive哈默纳科谐波减速机的三大
支持工业4.0工厂的大规模定制、高质量和
机器视觉系统的主要工作流程是怎样的
CPU | 内存 | 硬盘 | 显卡 | 显示器 | 主板 | 电源 | 键鼠 | 网站地图
Copyright © 2025-2035 诺佳网 版权所有 备案号:赣ICP备2025066733号 本站资料均来源互联网收集整理,作品版权归作者所有,如果侵犯了您的版权,请跟我们联系。