全球最实用的IT互联网站!
人工智能P2P分享搜索全网发布信息网站地图标签大全
PLC和DCS区别大着呢!
阅读全文2023-03-16
西门子1200PLC连续控制程序编写
三菱FX系列PLC指令:LD/LDI/OUT介绍
影响纯正弦波逆变器寿命的成分有什么?
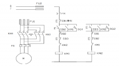
9个PLC程序调试及结果分析介绍
未来设备,光有“智能”是不够的!
助力伺服系统,光电编码工艺革新磁编码芯片升
电机中的噪声读不懂?鉴别与控制又该怎么做?
您真的“造”新能源电机vs工业电机区别在哪吗?
SVPWM算法在低成本微控制器中的快速实现
pwm控制的基本原理
日本HarmonicDrive哈默纳科谐波减速机的三大
支持工业4.0工厂的大规模定制、高质量和
机器视觉系统的主要工作流程是怎样的
CPU | 内存 | 硬盘 | 显卡 | 显示器 | 主板 | 电源 | 键鼠 | 网站地图
Copyright © 2025-2035 诺佳网 版权所有 备案号:赣ICP备2025066733号 本站资料均来源互联网收集整理,作品版权归作者所有,如果侵犯了您的版权,请跟我们联系。