全球最实用的IT互联网站!
人工智能P2P分享搜索全网发布信息网站地图标签大全
有刷直流电机的旋转原理
阅读全文2023-02-23
有刷直流电机的短路制动
逆变器高频与低频指的什么频率
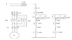
9个经典西门子PLC入门编程案例分析
PLC和触摸屏短时断电的原因
解决无刷直流控制器设计挑战
PLC常用型号大全及厂商介绍
西门子触摸屏高级应用(配方)
集中讨论IEC 61508及其在工业领域的应用
高频纯正逆变器并机的含义
阅读全文2023-02-22
pwm控制的基本原理
日本HarmonicDrive哈默纳科谐波减速机的三大
支持工业4.0工厂的大规模定制、高质量和
机器视觉系统的主要工作流程是怎样的
CPU | 内存 | 硬盘 | 显卡 | 显示器 | 主板 | 电源 | 键鼠 | 网站地图
Copyright © 2025-2035 诺佳网 版权所有 备案号:赣ICP备2025066733号 本站资料均来源互联网收集整理,作品版权归作者所有,如果侵犯了您的版权,请跟我们联系。