全球最实用的IT互联网站!
人工智能P2P分享搜索全网发布信息网站地图标签大全
PLC对继电器控制和接触器控制系统的意义
阅读全文2022-09-02
直交流电机正反转控制系统设计方案
西门子SMART200 PLC的远程下载方法
2022工控中国大会合作正式开启!
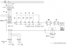
详解PLC与变频器通讯接线
PLC控制系统的安装调试
触摸屏与西门子PLC之间能否实现无线以太网口通
PLC的维护检修方法和使用技巧
阅读全文2022-09-01
一文解析PLC输入输出的回路接线
【展会回顾】武汉机器视觉技术及工业应用研讨
pwm控制的基本原理
日本HarmonicDrive哈默纳科谐波减速机的三大
支持工业4.0工厂的大规模定制、高质量和
机器视觉系统的主要工作流程是怎样的
CPU | 内存 | 硬盘 | 显卡 | 显示器 | 主板 | 电源 | 键鼠 | 网站地图
Copyright © 2025-2035 诺佳网 版权所有 备案号:赣ICP备2025066733号 本站资料均来源互联网收集整理,作品版权归作者所有,如果侵犯了您的版权,请跟我们联系。