阅读全文2022-08-16
阅读全文2022-08-16
阅读全文2022-08-16
阅读全文2022-08-16
阅读全文2022-08-15
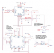
配置案例ModbusTCP转Profinet连接拧紧轴驱动器
阅读全文2022-08-15
阅读全文2022-08-15
阅读全文2022-08-15
阅读全文2022-08-15
阅读全文2022-08-15