全球最实用的IT互联网站!
人工智能P2P分享搜索全网发布信息网站地图标签大全
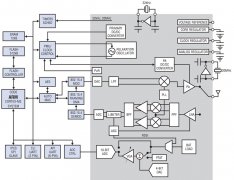
一种单片集成高性能三轴MEMS加速度计
阅读全文2023-01-29
归乡途中,你发现了这些“黑科技”在默默护航
陀螺仪机械性能:最重要的参数
压电MEMS振动能量收集器的输出功率提高近100倍
行业应用|振动温度在线监测让煤矿设备运维更智
无线传感器网络的挑战和解决方案
传感器计算:低功耗AI的重要技术路径
如何在电机全速范围内获得准确的磁链?
如何将PIR传感器与Arduino微控制器连接起来
阅读全文2023-01-25
TI先进的超声波镜头清洁芯片组可实现自清洁摄像
阅读全文2023-01-24
工业4.0时代:有线振动传感器与数据采集
AI大年,传感器狂欢!三大传感器企业H
思特威2025上半年业绩飙升:营业收入37
什么是传感器标定?传感器标定真的如此
CPU | 内存 | 硬盘 | 显卡 | 显示器 | 主板 | 电源 | 键鼠 | 网站地图
Copyright © 2025-2035 诺佳网 版权所有 备案号:赣ICP备2025066733号 本站资料均来源互联网收集整理,作品版权归作者所有,如果侵犯了您的版权,请跟我们联系。