全球最实用的IT互联网站!
人工智能P2P分享搜索全网发布信息网站地图标签大全
自主机器人的分布式传感器
阅读全文2023-02-03
优化先进传感器产品的能源使用
阅读全文2023-02-02
如何设定甲烷检测仪的报警设定值?
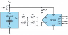
单轴和双轴微加工加速度计
基于微针贴片的表面增强拉曼光谱(SERS)传感器
使用桥梁传感器进行设计时如何远离深水
如何构建基于MEMS的解决方案用于状态监测中的振
MOS管基础及选型指南
利用自卷曲二氧化钒纳米薄膜调节红外热能,增
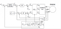
用于高效电机控制的无传感器矢量控制技术继续
工业4.0时代:有线振动传感器与数据采集
AI大年,传感器狂欢!三大传感器企业H
思特威2025上半年业绩飙升:营业收入37
什么是传感器标定?传感器标定真的如此
CPU | 内存 | 硬盘 | 显卡 | 显示器 | 主板 | 电源 | 键鼠 | 网站地图
Copyright © 2025-2035 诺佳网 版权所有 备案号:赣ICP备2025066733号 本站资料均来源互联网收集整理,作品版权归作者所有,如果侵犯了您的版权,请跟我们联系。