全球最实用的IT互联网信息网站!
AI人工智能P2P分享&下载搜索网页发布信息网站地图
一文解析数字温度传感器DS18B20的应用案例
阅读全文2021-05-17
田纽扣电池特有的防漏设计 加速度传感器结构原
阅读全文2021-05-15
基于Allegro的电源和传感器IC解决方案
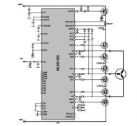
基于MLX81200无传感器控制驱动的BLDC发动机
MEMS惯性传感器如何解决空间和运动迷失方向的问
阅读全文2021-05-14
基于三相霍尔传感器无刷直流驱动器的Z16FMC微控
阅读全文2021-05-13
关于MRR的77GHz 的毫米波雷达做拆解分析
MEMS技术在标准实时时钟(RTC)中的优势
微机电系统如何使用补偿IC测量流体流量
阅读全文2021-05-12
一文解析汽车雷达的碎片记录 毫米波RADAR与LIDA
阅读全文2021-05-11
工业4.0时代:有线振动传感器与数据采集
AI大年,传感器狂欢!三大传感器企业H
思特威2025上半年业绩飙升:营业收入37
什么是传感器标定?传感器标定真的如此
CPU | 内存 | 硬盘 | 显卡 | 显示器 | 主板 | 电源 | 键鼠 | 网站地图
Copyright © 2025-2035 诺佳网 版权所有 备案号:赣ICP备2025066733号 本站资料均来源互联网收集整理,作品版权归作者所有,如果侵犯了您的版权,请跟我们联系。