全球最实用的IT互联网信息网站!
AI人工智能P2P分享&下载搜索网页发布信息网站地图
FCBGA基板技术的发展趋势及应用前景展望
阅读全文2023-05-04
高云半导体亮相硅谷SOC-IP 2023
阅读全文2023-04-28
如何对SoC进行手动FPGA分区
阅读全文2023-04-27
按键抖动消除verilog设计
FPGA工作原理及应用
阅读全文2023-04-26
SoC的RTL移植到FPGA的RTL修改啥?
FPGA双端口RAM的使用简述
阅读全文2023-04-25
FIFO使用及其各条件仿真介绍
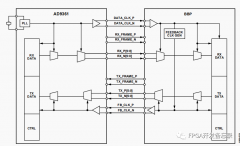
AD9361数据路径在低电压差分信号(LVDS)模式下运
SRIO IP核的三层协议的作用解析
英特尔FPGA 支持阿里云的加速即服务
使用Linux UIO框架实现ARM和FPGA的高效通信
英特尔Agilex FPGA在双轴电机控制系统的应
FPGA外接FT232H配置FIFO实现USB通信回环测试
CPU | 内存 | 硬盘 | 显卡 | 显示器 | 主板 | 电源 | 键鼠 | 网站地图
Copyright © 2025-2035 诺佳网 版权所有 备案号:赣ICP备2025066733号 本站资料均来源互联网收集整理,作品版权归作者所有,如果侵犯了您的版权,请跟我们联系。