全球最实用的IT互联网站!
人工智能P2P分享搜索全网发布信息网站地图标签大全
无线电信号的特性
阅读全文2009-06-30
无线电波的频(波)段划分表
无线电信号的频率及分段
无线通信系统的组成
无线通信系统的类型
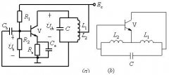
电感反馈振荡器电路
阅读全文2009-06-29
电容反馈振荡器的实际电路
几种常见振荡器的高频电路
电视伴音多重广播的发射机框图
调频立体声接收机的原理框图
无线连接Wi-Fi设备将帮助您解决三大设计
6G的下一步:太赫兹技术新进展
摩尔斯微电子与移远通信合作,将Wi-Fi
移远通信携手MediaTek在悉尼科技大学开展
CPU | 内存 | 硬盘 | 显卡 | 显示器 | 主板 | 电源 | 键鼠 | 网站地图
Copyright © 2025-2035 诺佳网 版权所有 备案号:赣ICP备2025066733号 本站资料均来源互联网收集整理,作品版权归作者所有,如果侵犯了您的版权,请跟我们联系。