时间:2023-07-24 11:11
人气:
作者:admin
LM1877 是一款单片双功率放大器,设计用于向 2 个Ω负载提供 8W/通道连续功率。LM1877 设计为使用少量外部组件运行,并且仍可灵活用于立体声留声机、录音机和 AM-FM 立体声接收器等。
每个功率放大器都从公共内部稳压器偏置,以提供高电源抑制和输出Q点居中。LM1877 对所有大于 10 的增益进行内部补偿。
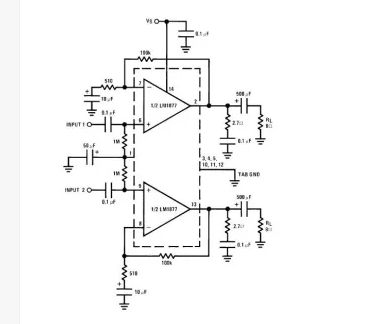
LM1877立体声放大器电路图

LM1877 使用分离电源的同相放大器

LM1877应用
多声道音频系统
立体留声机
录音机和播放器
AM-FM 收音机接收器
伺服放大器
对讲系统
汽车产品
LM 1877 特点
2W/通道
−65 dB纹波抑制,折合到输出端
−65 dB通道分离,折合输出
宽电源范围:6V–24V
极低的交越失真
低音频频段噪声
交流短路保护
内部热关断
LM1877 连接图和 pdf 数据表
