时间:2023-07-24 15:28
人气:
作者:admin
LM3886基础知识
LM3886是一款带静音功能的高性能150W音频功率放大器。音频功率LM3886(例如NS)利用其自身峰值瞬时温度(°Ke)(SPIKe)保护电路,通过提供固有的动态保护安全工作区(SOA),其性能高于分立式和混合放大器。
LM3886T采用11(交错)引线非隔离TO220封装。出于测试目的,放大器的原型由稳定的±35V电源供电。在63Vrms的驱动电平下,在8欧姆的驱动电平下获得了约1瓦的最大不失真输出功率。将负载阻抗降至4欧姆,将输出功率推高至不低于108瓦。实际上,这些功率水平可以理解为“音乐功率”,但请记住,放大器通常不会由稳压电源供电!
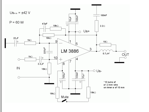
LM3886放大电路
该电路需要一个经过良好调节和滤波的28V双电源。
如果您需要更多冲孔,请将电源电压扩展到35V。
开关S1用于静音功能,打开它使放大器静音。
LM3886电路版本1

LM3886原理图版本2
按照原理图和PCB构建放大器。与往常一样,在测试它时,请使用损坏的廉价扬声器进行测试,更换成本不会很高。
如果您的信号源始终连接(例如,前置放大器始终连接到放大器),则可以通过在PCB上焊接跳线来代替C2。如果可能的话,我强烈建议这样做以减少信号路径并提高音频质量。但是,如果您的源可能断开连接(例如CD播放器),建议您包括C2。如果不这样做,断开电源会将较大的直流电流发送到扬声器中,并且很可能会损坏扬声器。(从)

上一篇:立体声音频开关电路图详解