时间:2023-05-13 16:54
人气:
作者:admin
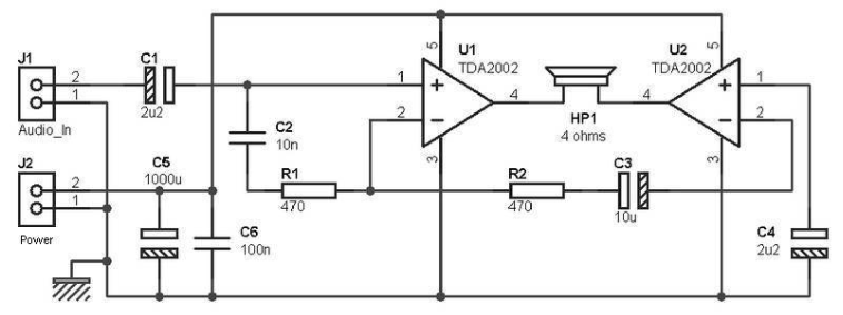
该放大器电路的工作原理是桥式放大器,其中两个放大器用作一个放大器,没有任何接地连接到扬声器。与通常的放大器电路相比,桥式放大器可以放大双倍的增益。
该电路可在 4 欧姆扬声器下产生 15 瓦输出。该放大器电路的失真电平等于1%。该放大器电路所需的电源是18VDC单电源。

在组装此放大器时,IC TDA2002应提供散热器,以免过热,从而损坏电路。
15 W 耳机桥接放大器零件列表:
R1, R2 : 470 欧姆
C1, C4 : 2,2 uF C2 : 10 nF C3 : 10 uF C5 : 100 uF C6 : 100 nF
U1 : TDA 2002