全球最实用的IT互联网信息网站!

AI人工智能P2P分享&下载搜索网页发布信息网站地图

当前位置:诺佳网 > 电子/半导体 > 音视频/家电 >

10瓦晶体管音频放大器电路分享

时间:2023-05-19 17:44

人气:

作者:admin

标签: 晶体管  音频电 

导读:这款 10 瓦晶体管音频放大器电路采用常规双极晶体管元件,具有 10 瓦功率输出。为了良好运行,该放大器电路需要高达30 VDC的20VDC电压。...

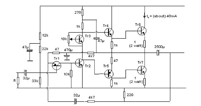
这款 10 瓦晶体管音频放大器电路采用常规双极晶体管元件,具有 10 瓦功率输出。为了良好运行,该放大器电路需要高达30 VDC的20VDC电压。

10瓦晶体管音频放大器是可以支持日常音频设备的低功耗放大器的基本电路。连接到晶体管TR3的10K可变电阻器的功能用于调节进入最终放大器的失调电压。

由上面的系列表明,放大器的输出端使用耦合电容来连接扬声器负载,耦合电容的作用是抑制来自输出的直流电压,从而损坏扬声器。

pYYBAGRnRKuAH8_xAAD-dNMqUdw140.png

温馨提示:以上内容整理于网络,仅供参考,如果对您有帮助,留下您的阅读感言吧!
相关阅读
本类排行
相关标签
本类推荐

CPU | 内存 | 硬盘 | 显卡 | 显示器 | 主板 | 电源 | 键鼠 | 网站地图

Copyright © 2025-2035 诺佳网 版权所有 备案号:赣ICP备2025066733号
本站资料均来源互联网收集整理,作品版权归作者所有,如果侵犯了您的版权,请跟我们联系。

关注微信