时间:2023-05-16 18:19
人气:
作者:admin
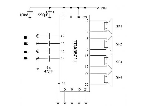
四通道放大器 40W 电路具有 4 个扬声器输出,具有外部 4 欧姆阻抗。该放大器的工作电压为+ 12VDC,因此适用于汽车音响系统。
该放大电路在全强度时的谐波失真水平高达10%,但是当电路设置为半功率(20W)时,谐波失真水平仅产生2%。
TDA8571J IC已经集成并设计用于汽车音响用途。该放大器的输入可以连接MP3播放器,收音机和CD播放器。因为它是基于IC,所以这个电路非常实用,只需要几个无源元件就可以完全工作。
在每组基于 IC 的放大器中,散热非常重要,因此,使用 Fuad 40W 放大器上的散热器以防止过热导致电路损坏。
电源也会影响产生的音频质量。使用已经得到良好调节的电源。

下一篇:10瓦晶体管音频放大器电路分享