时间:2023-04-08 10:17
人气:
作者:admin
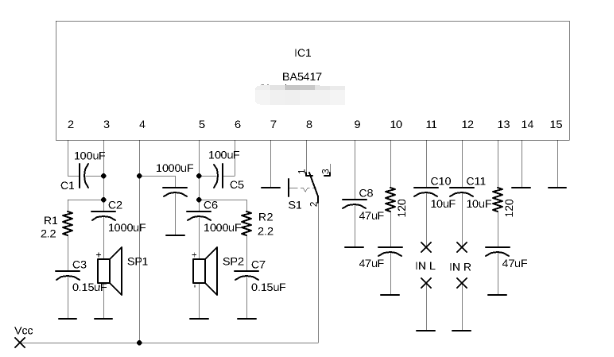
IC BA5417是一款用于立体声音频放大器的IC,具有热盖,待机功能,软削波,宽电压范围和保护扬声器等许多功能。IC每通道可产生5瓦输出,扬声器阻抗为4欧姆。建议电压为 12 伏。根据数据表,BA5417 可以产生出色的音质,在 1kHz 频率下失真非常低,不超过 0.1%。
描述。
这种立体声放大器电路的工作原理非常简单。C10 和 C11 电容器用于分离直流,使直流电压不会进入 IC 信号输入。而C2和C6将阻挡直流电压,而不是进入扬声器输出。

C1 和 C5 电容器是用于增加输入阻抗的自举电容器。组件 R1、C3、R2 和 C7 是用于增加高频的网络。滤波电容器C4仅用于电源。交换机 S1 用作备用交换机。放大器R3和R4用作放大器增强放大器的内部反馈。
放大器电路的电压介于 6 V 至 15 VDC 之间。但推荐的电压为 12 VDC。为避免噪声和干扰,电源必须得到良好的调节。此外,当BA5417 IC非常热时,必须安装一个好的散热器。
上一篇:基于LM324的声控触发器电路