时间:2022-08-16 16:21
人气:
作者:admin
如果您正在考虑构建一个简单、廉价且中等功率的放大器电路,该电路可以向扬声器提供高达 50 瓦的峰值 RMS 功率,那么您来对地方了。在本文中,我们将使用最流行的 TDA2050 IC 来设计、演示、构建和测试 IC 以实现上述要求。所以事不宜迟,让我们开始吧。
此外,检查我们的其他音频放大器电路,我们使用运算放大器、MOSFET 和 IC(如IC TDA2030、TDA2040 )构建了 25w、40w、100w 音频放大器电路。
在我们开始之前
在开始构建这款32+32 瓦音频放大器之前,您应该知道您的放大器可以提供多少功率。此外,您需要考虑扬声器、低音扬声器或您正在构建放大器的任何东西的负载阻抗。

通过查看数据表,我发现 TDA2050 可以在 22V 电源上以 0.5% 的失真向 4Ω 扬声器输出 28 瓦功率。我将为一个阻抗为 4Ω 的 20 瓦低音扬声器供电,这使得 TDA2050 IC 成为完美的选择。
选择变压器
TDA2050 数据表上的示例电路表明该 IC 可以由单电源或分离电源供电。在这个项目中,将使用双极性电源为电路供电。
这里的目标是找到合适的变压器,它可以提供足够的电压和电流来正确驱动放大器。
如果我们考虑一个 12-0-12 变压器,如果输入电源电压为 230V,它将输出 12-0-12V 交流电。但由于交流电源输入总是漂移,所以输出也会漂移。考虑到这一事实,现在我们可以计算放大器的电源电压。
变压器为我们提供交流电压,如果我们将其转换为直流电压,我们将得到 -
VsupplyDC = 12*(1.41) = 16.97VDC
由此可以清楚地说明,当输入为230V AC时,变压器可以输出 16.97VDC
现在,如果我们考虑 15% 的电压漂移,我们可以看到最大电压变为 -
VmaxDC = (16.97 +2.4) = 18.97V
这完全在 TDA2050 IC 的最大电源电压范围内。
TDA2050 放大器电路的电源要求
现在让我们确定放大器将消耗多少功率。
如果我们考虑我的低音扬声器的额定功率,它是 20 瓦,因此立体声放大器将消耗 20+20 = 40 瓦。
此外,我们还必须考虑放大器的功率损耗和静态电流。一般来说,我不会计算所有这些参数,因为对我来说这很耗时。因此,根据经验,我找到总消耗功率,并将其乘以 1.3 以找出输出功率。
Pmax = (2x18.97)*1.3 = 49.32 瓦
因此,为了给放大器电路供电,我将使用 12 - 0 - 12 变压器,额定电流为 6 安培,这有点矫枉过正。但目前,我没有任何其他变压器,所以我将使用它。

散热要求
现在,这款高保真音频放大器的功率要求已经不存在了。让我们将注意力转向找出散热要求。
对于这个构建,我选择了一个铝制挤压型散热器。铝是一种众所周知的散热器材料,因为它相对便宜并且具有良好的热性能。
要验证 TDA2050 IC 的最高结温不超过最高结温,我们可以使用流行的热方程式,您可以在此Wikipedia链接中找到该方程式。
我们使用的一般原理是,在给定的绝对热阻 R Ø上,给定的热流 Q 上的温降 ΔT 是。
ΔT = Q * R Ø
其中,Q 是通过散热器的热流,可以写为
Q = ΔT /R Ø
这里,ΔT是从结点到环境的最大温降
R Ø是绝对热阻。
Q是器件消耗的功率或热流。
现在为了计算,公式可以简化并重新排列为
T Jmax – (T amb + Δ T HS ) = Q max * (R Ø JC + R Ø B + R Ø HA )
重新排列公式
Q max = (T Jmax – (T amb + Δ T HS )) / (R Ø JC + R Ø B + R Ø HA )
这里,
T Jmax 是器件的最高结温
T amb 是环境空气温度
T Hs 是安装散热器的温度
R ØJC 是器件结到外壳的绝对热阻
R ØB 是用于 TO-220 封装的弹性体导热垫的典型值
R ØHA TO-220 封装的散热器的典型值
现在让我们输入 TDA2050 IC 数据表中的实际值
T Jmax = 150 °C(硅器件的典型值)
T amb = 29 °C(室温)
R ØJC = 1.5 °C/W(对于典型的 TO-220 封装)
R ØB = 0.1 °C/W(用于 TO-220 封装的弹性体导热垫的典型值)
R ØHA = 4 °C/W(TO-220 封装的散热器的典型值)
所以,最终的结果变成
Q = (150 - 29) / (1.5+0.1+4) = 17.14W
这意味着我们必须消耗 17.17 瓦或更多功率,以防止设备过热和损坏。
计算 TDA2050 放大器电路的元件值
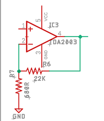
设置增益
设置放大器的增益是构建过程中最重要的一步,因为低增益设置可能无法提供足够的功率。高增益设置肯定会使电路的放大输出信号失真。以我的经验,我可以看出 30 到 35 dB 的增益设置非常适合使用智能手机或 USB 音频套件播放音频。

数据表中的示例电路建议增益设置为 32db,我将保持原样。
运算放大器的增益可以通过以下公式计算
AV = 1+(R6/R7)
AV = 1+(22000/680) = 32.3db
这适用于这个放大器
注意:为了设置放大器增益,必须使用 1% 或 0.5% 的电阻,否则立体声通道会产生不同的输出
设置放大器的输入滤波器

电容器 C1 用作隔直电容器,从而降低噪声。
电容 C1 和电阻 R7 构成一个 RC 高通滤波器,它决定了带宽的下限。
放大器的截止频率可以通过使用下面显示的公式找到。
FC = 1 / (2πRC)
其中 R 和 C 是组件的值。
为了找到 C 的值,我们必须将等式重新排列为:
C = 1 / (2π x 22000R x 3.5Hz) = 4.7uF
注意:建议使用金属膜油电容以获得最佳音频性能。
在反馈回路中设置带宽

反馈回路中的电容有助于制作低通滤波器,有助于增强放大器的低音响应。C15 的值越小,低音就越柔和。较大的 C15 值将为您提供更有力的低音。
设置输出滤波器
输出滤波器或通常称为Zobel 网络可防止扬声器线圈和电线产生振荡。它还抑制了从扬声器到放大器的长线拾取的无线电干扰;它还可以防止他们进入反馈循环。

Zobel网络的截止频率可以通过以下简单公式计算
数据表给出了 R 和 C 的值,即 R6 = 2.2R 和 C15 = 0.1uF 如果我们将值放入公式并计算,我们将得到截止频率
Fc = 1 / (2π x 2.2 x (1 x 10^-7))
= 723 kHz
723 kHz 高于人类听觉范围 20 kHz,因此不会影响输出频率响应,也可以防止有线噪声和振荡。
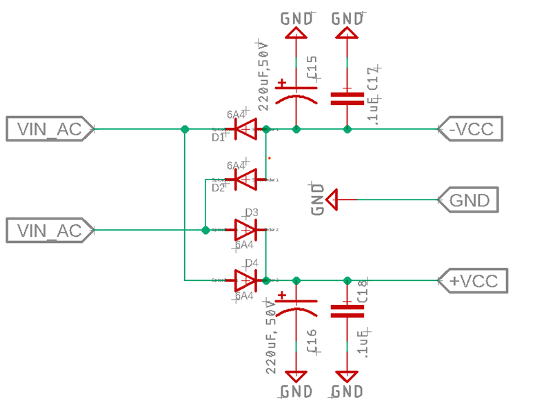
电源
需要使用带有适当去耦电容的双极性电源为放大器供电,原理图如下所示。

所需组件
TDA2050 集成电路 - 2
100k 可变电位器 - 1
螺丝端子 5mmx2 - 2
螺丝端子 5mmx3 - 1
0.1µF 电容 - 6
22k 欧姆电阻 - 4
2.2欧姆电阻 - 2
1k 欧姆电阻 - 2
47µF 电容 - 2
220µF 电容 - 2
2.2µF 电容 - 2
3.5 毫米耳机插孔 - 1
复合板 50x 50mm - 1
散热器 - 1
6安培二极管 - 4
2200µF 电容 - 2
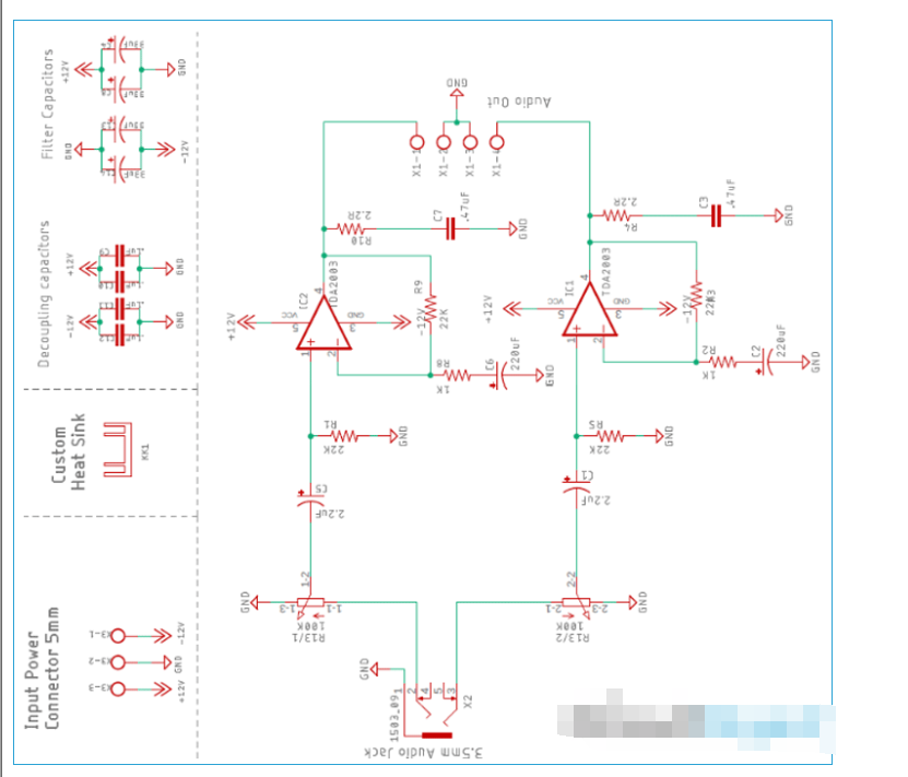
原理图
TDA2050放大器电路的电路图如下:

电路结构
对于这个 32 瓦功率放大器的演示,电路是在原理图和 PCB 设计文件的帮助下在手工制作的 PCB 上构建的。请注意,如果我们将大负载连接到放大器的输出端,会有大量电流流过 PCB 走线,并且有可能会烧坏走线。因此,为了防止 PCB 走线烧坏,我加入了一些有助于增加电流的跳线。
测试 TDA2050 放大器电路

为了测试电路,使用了以下设备。
具有 13-0-13 分接头的变压器
4Ω 20W 扬声器作为负载
Meco 108B+TRMS 万用表作为温度传感器
和我的三星手机作为音频源
如上所示,我已将万用表的温度传感器直接安装在 IC 的散热片上,以在测试期间测量 IC 的温度。
此外,您可以看到在测试期间室温为31 °C 。此时放大器处于关闭状态,万用表只显示室温。在测试的时候,我在低音喇叭纸盆里加了一些盐来给你看低音,它在这个电路中产生的低音会很低,因为我没有使用音调控制电路来增强低音。我将在下一篇文章中这样做。

从上图可以看出,测试结果或多或少都很好,IC 的温度在测试过程中没有超过 50 °C。