时间:2022-08-16 16:01
人气:
作者:admin
LA4440 是一款非常流行的双通道音频放大器,通常用于构建大功率音频放大器。该 IC 以其高功率、易于使用和便宜的价格而闻名,这使其在
使用 12V 工作的家庭影院和汽车放大器系统中广受欢迎。因此,在本文中,我们将学习如何使用LS4440 音频放大器 IC构建大功率立体声音频放大器。该电路将有两个 LS4440 放大器 IC,将能够驱动两个具有音量、低音和高音控制的 20W 扬声器(20W+20W)。此外,我们的放大器板的音频输入可以直接从音频插孔提供,也可以使用蓝牙无线提供。
LA4440集成电路
在开始构建这个放大器之前,让我们更多地了解LA4440 功率放大器 IC以了解它的技术规格,以便我们可以有效地设计我们的放大器。如下图 LA4440 是三洋开发的 14 脚线性音频放大器 IC。

该 IC 可用作单声道音频放大器或立体声双通道音频放大器。它具有双重启用模式,即立体声模式和桥接模式。这两种配置模式的主要区别在于,在立体声模式下,单个 IC 可以驱动最大 6W + 6W 的两个扬声器,这意味着只有 12 瓦的负载,但在桥接模式配置中,您将从单个 IC 获得 19W 的音频输出对于单个扬声器。因此,我们需要 2 个 IC 来制作立体声和 2 个相同电路的副本,我们将在电路图部分讨论。在这里,我将音频放大器配置为桥接模式,以获得 20 W + 20 W 强大的音频输出。由于我们的设计有两个 IC,因此也称为4440 双 IC 放大器电路。 除此之外,我们的音频放大器 IC 还具有以下优点。
它具有良好的纹波抑制 46db
良好的通道分离
残余噪音小
低音频恢复了从低频到高频的广泛音乐。
小弹出或启动噪音
内置音频静音功能
内置保护:过压保护、浪涌电压保护、引脚对引脚短路保护。
所需备件最少
什么是纹波抑制,为什么它很重要?
纹波是电压和电流在一个可以随负载变化的稳态值上的变化,这会在电路的输出端产生噪声,从而导致失真。为了克服这个问题,采用了有助于抑制这种噪声/纹波的滤波器。这称为纹波抑制。LA4440 IC 提供 46dB 的良好纹波抑制值。
什么是通道分离?
当单个 IC 封装包含多个运算放大器时(LA4440 IC 有 2 个通道),一个运算放大器会影响另一个运算放大器的性能。为了防止这个问题,LA4440 IC 提供了良好的通道分离,内部框图和引脚图如下所示

40W双IC立体声音频放大器所需材料
下面列出了完整的立体声音频放大器材料清单。使用的大多数组件应该很容易获得,因为它们通常用于音频放大器电路。

LA4440双IC放大电路
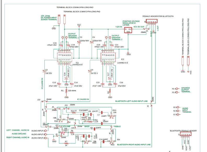
完整的4440IC 放大器电路图如下图所示。由于电路的大功率特性,不建议使用面包板来构建此电路。因此,我们将通过为该电路设计音频放大器 PCB在家中构建 PCB 。

我已将第一个 IC 上的电容器 C13 和 C14 以及第二个 IC 的 C23 和 C16 连接到 IC 引脚 1 和 7。这些电容器称为反馈电容器。我们放大器的低截止频率取决于这些电容器的值,如果值增加,启动时间将延迟。IC 1 和 2 上这些电容器的电压增益可以通过分别改变电阻器 R1 和 R2 的值来调整。
第一个 IC 的电容器 C15 和 C19 以及第二个 IC 的 C20 和 C21 与 IC 引脚 9 至 10 和 13 至 12 的输出端相连。这些电容器称为自举电容器,用于低音或低频调整。
C3 和 C4 是非常重要的电容器。该电容的值应该很高,通常推荐 2200uF 35V 或 4700uF 35v 用于主电源滤波和负载处理。电容器的额定电流为 1Amp 至 3Amp,以改善音质。电容器 C2 和 C5 是滤波电容器,用于过滤提供给我们的放大器 IC 的音频输入。
电容器 C18 和 C17 是在音频系统或其他电子电路中用于噪声过滤的旁路电容器。当像我们的音频放大器这样的有源设备连接到电源时,我们的设备消耗的电流会在电源上产生电压降。由于我们负载的阻抗变化和连接在同一路径上的多个有源负载,电流消耗会波动并产生更多的电压尖峰和接地反弹。为了避免这个问题,我们通常在负载中使用旁路电容器,为瞬态电流提供旁路路径,而不是流经公共路径。
LA4440 音频放大器 PCB 设计
如前所述,该电路涉及高电流路径,因此无法在面包板上构建和测试。因此,我们使用 Eagle 软件为上述电路设计了 PCB。您可以使用您选择的任何 PCB 设计软件。此外,如果您不想设计 PCB,可以将电路直接焊接在穿孔板上。我的 PCB 布局如下图所示。

我们将使用这种 PCB 设计布局在家中构建我们自己的 PCB。

PCB 设计有两个音频输入,一个是通过 aux 和 3.5mm 音频插孔通过直接音频线,另一个是用于无线蓝牙连接。我们还使用螺丝端子为电路板供电并连接两个 20W 扬声器。电位器用于控制音量、低音和高音。
使用墨粉转移方法构建 PCB
为了演示这个项目,我们使用 Toner transfer 方法创建了自己的 PCB。下图显示了我们电路板在制造过程中的各个阶段。

查看下面给出的图像,看看在钻完所有元件焊盘后自制 PCB 的样子。正如你所看到的,板子变得整洁,垫子都清晰明了。

读取电路板后,就可以插入所有组件并将其焊接到定制的 PCB 上。我用来焊接电路板的组件如下所示。在这里,我使用双通道电位器来控制音量、低音、高音。对于电源,您可以使用 12v 1 Amp 到 3 Amp 的电源或 12V 电池。
两针螺丝端子用于为电源供电和连接扬声器。三针螺丝端子用于提供音频输入。我们还添加了一个迷你板载蓝牙模块,因为现在人们喜欢直接从手机播放歌曲,显然是通过无线连接。您还需要插入一个公母头,以便轻松移除和更改它。对于这个蓝牙模块的电源,我使用了一个 LM7805 正电压调节器 IC,它有助于将电压从 12 V 控制和下降到 5 V。

请注意,我必须从 PCB 上移除二极管电桥部分,以减小尺寸并使其紧凑的电路尺寸。但是对于变压器电源,在给这个放大电路输入之前,你需要用4个5408通用3安培二极管接一个二极管桥。下面给出的图像显示了所有组件焊接后的外观。

LA440放大器电路工作
电路板准备好后,我们可以通过直接连接扬声器并为其供电来对其进行测试。音频输入可以来自 3.5 毫米音频插孔(三针螺丝端子)或通过我们的蓝牙模块。
音频放大器设计技巧和注意事项
LA4440 或 CD4440 IC 具有内置的热关断功能,它会散发大量热量。因此,请安装一个好的散热器以延长使用寿命。此外,您可以在放大器机柜上安装冷却风扇。放大器可能会受到噪音并产生嗡嗡声是一个常见问题。为避免音频放大器噪音问题,请确保检查以下内容。
散热器与电源负极端子共用 GND。
在电源滤波器和整流阶段使用几个大电容器,如 2200uF、4700uF 或 6800uF 或 10000uF 25v 或 50V 电容器以获得最佳效果。不要使用变压器电源,因为电池供电不需要它。
音量、低音、高音电位器本体应与电源负极共地。
使用金属外壳/机柜
此外,噪音取决于主线的良好接地,应与机柜连接。
您还可以使用音频变压器进行隔离和噪声过滤。
