时间:2022-08-21 09:38
人气:
作者:admin
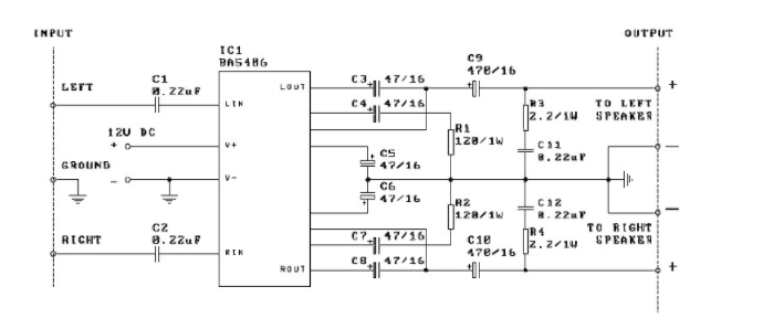
这是基于 IC 电源 BA5406 的 2 x 3W 立体声音频放大器。该电路将在每个通道中为您提供 3W 功率。该电路非常适合室内音响系统。

组件列表:

BA5406包含两组AF功率放大器。它通过 12V 电源向 3 欧姆负载提供 5W x 2。BA5406低压特性好,通电时的“啪”声小。它产生的无线电频带噪声极小,射频辐射极小。
推荐电源电压:最大 5-15V。典型 12V。理想情况下,电源应该能够提供超过 2.5 安培的电流。这意味着典型的“廉价”插件电源(壁式电源)将不够好。电源线应尽可能短。静态电流20-70mA,典型值为40mA。