全球最实用的IT互联网信息网站!

AI人工智能P2P分享&下载搜索网页发布信息网站地图

当前位置:诺佳网 > 电子/半导体 > 音视频/家电 >

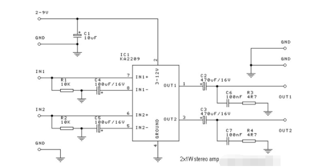
基于KA2209的2x1W立体声放大器电路

时间:2022-08-21 09:41

人气:

作者:admin

标签: 音频电路  Ka 

导读:基于KA2209的2x1W立体声放大器电路-这是基于单IC KA2209的2x1W 立体声放大器电路。IC KA2209 是与 TDA2822 等效的 IC,如果找不到 KA2209,可以使用 TDA2822。它非常适合电池供电操作,因为该电路所...

这是基于单IC KA2209的2x1W 立体声放大器电路。IC KA2209 是与 TDA2822 等效的 IC,如果找不到 KA2209,可以使用 TDA2822。它非常适合电池供电操作,因为该电路所需的电源为 2V 至 9VDC。功率输出主要取决于扬声器电阻和电源电压。在 3V 输入 4 欧姆扬声器时,功率为 0.1W。在 6V 进入 4 欧姆扬声器时,它是 0.65W。在 9V 时,它超过 1W。

pYYBAGMBjPuAGPu_AACgjjVaUjA564.png

组件列表:

poYBAGMBjQSAEmWYAAAbkNuEtYA142.png

温馨提示:以上内容整理于网络,仅供参考,如果对您有帮助,留下您的阅读感言吧!
相关阅读
本类排行
相关标签
本类推荐

CPU | 内存 | 硬盘 | 显卡 | 显示器 | 主板 | 电源 | 键鼠 | 网站地图

Copyright © 2025-2035 诺佳网 版权所有 备案号:赣ICP备2025066733号
本站资料均来源互联网收集整理,作品版权归作者所有,如果侵犯了您的版权,请跟我们联系。

关注微信