时间:2022-08-23 09:21
人气:
作者:admin
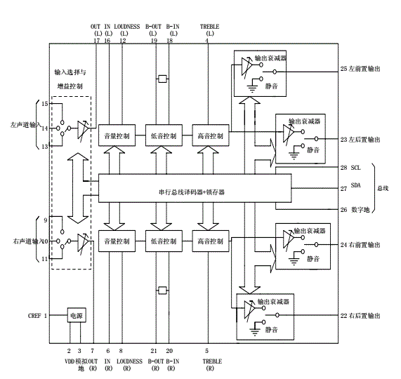
CD3313是一块具有音量、音调(低音、高音)、平衡度(左、右)和响度(前、后)控制的音频处理电路,PIN√PINPT2313;TDA7313
该电路提供了输入增益选择和局部响度控制功能。所有的控制均通过可与微机连接的串行I²C总线来操作;通过外接阻容网络和内部运放的配合,可设置各种交流幅频特性。
由于采用了高性能的双极/CMOS工艺技术,实现了低失真、低噪声和低直流电平漂移。
. 含有输入多路选择器
. 三路立体声信号输入
. 输入增益可设置以与各种信源进行最佳匹配
. 四声道衰减
. 四个声道可独立控制。对平衡度和响度进行每级1.25dB的衰减和提升
. 独立的静音控制功能
. 所有的功能均通过串行I²C总线控制
. 有响度控制功能
. 音量控制每级1.25dB
. 高音和低音控制
. 输入与输出端可与外部均衡器和噪声抑制电路匹配
管脚排列;

功能框图;
