时间:2022-07-14 17:33
人气:
作者:admin
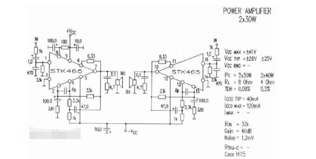
这是带有 STK-465 电源 IC 的简单 2 x 30W 音频放大器。简单的电路具有更高的功率输出,这种放大器电路非常容易构建。
原理图,示意图:

这是一个立体声音频系统应用程序。STK-465 放大器能够在 8 欧姆扬声器上提供 2 x 30W 音频输出,在使用 4 欧姆负载扬声器时提供 2 x 40W 音频输出。
组件列表:

PCB布局:

元件放置:

本电路采用双极性电源工作。最大电源电压为 41V,而推荐的电源电压为 28V。
双极性电源示例方案:
