时间:2022-07-26 16:56
人气:
作者:admin
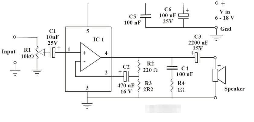
这是一款使用TDA2002或TDA2003功放IC模块搭建的AB类6-10W音频功放电路。这些是不再可用的原始 LM383 的替代品。它易于构建并且具有最少的外部组件。该模块同时具有短路保护和热保护。它可以驱动低至 1.6 欧姆的负载,并能够从 16 V 电源提供超过 10 瓦的功率。

组成部分:


只有在 16V DC 时大于 1A 的电源以及使用 2 欧姆扬声器(或 2 x 4 欧姆扬声器并联)才能获得最大输出功率。然而,使用 12V DC、1A 电源到 4 欧姆负载可以获得大约 4W RMS。
电源应经过良好过滤以减少电源嗡嗡声,仅板载电容器不足以达到此目的,但对于确保稳定性是必要的。如果使用电池操作,则不需要额外的过滤。如果将两块板用于立体声,则需要将电源尺寸加倍。