时间:2021-04-13 14:15
人气:
作者:admin
即使通过蓝牙技术在户外,任何人现在都可以使用音乐。这种无线技术使设备能够通过2.4至2.485 GHz的ISM波段中的短波UHF无线电波进行设备的传输和通信。本说明将帮助读者设计一个简单的无线蓝牙立体声音频系统。
当人们想要便携式音乐时,他们通常依靠电池供电的音频设备。当然,您可以购买用于室外的音响系统,但这些音响系统可能非常昂贵,而且正如我们将要展示的那样,这是不必要的。只需一点点工程血液(或好奇心)在您的血管中流动,构建可以用任何具有Bluetooth连接和音乐播放器的设备控制的无线Bluetooth®立体声音频系统就不那么困难了。
本应用笔记描述了如何为户外使用构建一个简单且成本较低的无线蓝牙立体声音频系统。该系统具有20 W RMS的输出功率。可以使用具有蓝牙连接和音乐播放器的听筒或Apple®iPod®型号进行控制。三个附录讨论了其他布局注意事项,设计中使用D类和AB类放大器之间的区别以及系统成本。
蓝牙基础知识
蓝牙技术创建于1994年,被广泛用于在两个手持移动设备之间建立短距离无线连接。蓝牙设置还允许您将立体声音频信号从手持设备传输到无线耳机。当今的蓝牙耳机在蓝牙2级规范下运行,传输功率为2.5mW(4dBm)。蓝牙2类模块的传输范围约为10米。
将蓝牙音频系统放在一起
蓝牙耳机通常与尺寸较小的32Ω扬声器一起使用。通过将音频信号从蓝牙耳机连接到外部放大器,可以放大信号。然后,蓝牙立体声耳机充当桥接器,将音频信号从手持设备传递到立体声音频放大器,并创建无线立体声音频系统。

无线蓝牙立体声音频系统的框图。
该系统的框图如图1所示。该系统基于立体声D类音频放大器,该放大器驱动一对4Ω扬声器。
确定输出功率
输出功率要求为20 W RMS(每通道10 W RMS)。应该注意的是,测量RMS输出功率并不是确定放大器输出功率的最佳方法。RMS并未真正揭示出放大器的真实性能。因此,在本文中,RMS输出功率实际上是指电阻负载中的平均正弦波功率。RMS输出功率主要用于比较目的。
20 W RMS转换为40 W峰值输出功率。为了在4Ω扬声器中达到每通道10WRMS,最低电源电压(VRMS)需要为:
[tex] V_ {RMS} = sqrt {Outputhspace {1mm} Power_ {RMS} times扬声器hspace {1mm} Impedance} = sqrt {10Wtimes 4Omega} [/ tex]
对于峰值输出电压,这表示为:
[tex] V_ {PEAK} = V_ {RMS} timessqrt {2} = 6.3times sqrt {2} = 8.9hspace {1mm} V_ {PEAK} [/ tex]
上面的公式表明,9 V的电源电压足以实现每个通道10 W RMS的输出功率。但是,此设计使用12 V电源电压,以便在重负载期间为电源设备(PSU)的输出电压下降留出一定的空间。
对于输出电压为12 V的隔离PSU,使用低成本的LED驱动器电源。这些耗材可从任何电子商店轻松获得。选择与输出功率匹配的PSU。
顺便说一句,重要的是要认识到20 W RMS的总输出功率不一定对大多数人有任何意义。为了进行比较,请考虑使用低成本的汽车音频放大器或低成本的便携式音频“音箱”产品。它们通常被宣传为提供40 W总输出功率,但这通常是峰值输出功率,转换为20 W RMS输出功率。
您可能会问,最后,20 W RMS是否真的足以使该系统正常工作?是的。低成本汽车音频放大器通常没有升压DC-DC转换器,因此它们使用汽车电池中的12 V电压来驱动扬声器。(实际上,汽车的电池电压约为13.8 V,但这在这里并不重要。)请听这些低成本的放大器-它们产生大量声音。诚然,20 W RMS的输出功率不足以使整个社区保持清醒,但这仍然不是我们系统的优先事项。
选择蓝牙耳机,开/关开关和指示灯
您可以使用任何带有3.5毫米音频接口的耳机。此设计中使用了诺基亚BH-214蓝牙立体声耳机。它具有3.5毫米音频连接器,非常容易从头戴式耳机的PCB接收音频信号并将其馈送到立体声音频放大器。
还需要一个开/关开关和指示灯LED。这些信号需要从诺基亚耳机中获取。
修改诺基亚BH-214
耳机需要修改诺基亚耳机。由于某些信号来自耳机的PCB外部,因此需要将几根导线焊接到该PCB上以实现信号传输。图2至6显示了如何完成此操作。
使耳机的前盖朝向您,用小螺丝刀轻压右上角和右上角将其打开。卸下塑料面板并卸下键盘橡胶。从底部外壳轻轻拉出包含PCB的零件。

耳机前盖,内部视图。
在前盖打开的情况下,从图2圈出的区域剪掉一些塑料,以留出更多的电线空间。此外,请卸下光导和On / Off开关的塑料外壳。
从图3开始,焊接开/关开关(1),双色LED(2),蓝色LED(3)和电池导线(4)。从PCB上取出电池。

耳机的PCB的特写视图。
如图3中的箭头所示,现在将导线焊接到On / Off开关垫(1)上。然后,如那些箭头所示,将导线焊接到双色LED公共阳极垫(2)上。将电线焊接到蓝色LED阳极垫(3)。最后,将焊锡丝焊接到电池垫(4)上。
使用可以找到的最细的电线,并记下电线的颜色,以备将来参考。
还有三根电线(图4)需要焊接到耳机。

LED线焊接到耳机(右),并且具有特写视图(左)。
如图4所示,将绿色LED阴极(5),红色LED阴极(6)和蓝色LED阴极(7)焊接到电阻器上。现在应该有用于以下信号的导线:
蓝牙耳机的On / Off开关的两条线
绿色和红色双色LED的三根导线(即,公共阳极,绿色阴极和红色阴极)
蓝色LED的两根导线(阳极和阴极)
电池端子的两条线(来自LDO的3.6 V)
更换后的带盖保护套的耳机。
当所有电线都焊接到PCB上时,将耳机轻轻放回原处。小心关闭外壳,因为通过拉线很容易将焊盘从PCB上拆下来。修改后,耳机将如图5所示。
检查立体声音频放大器板
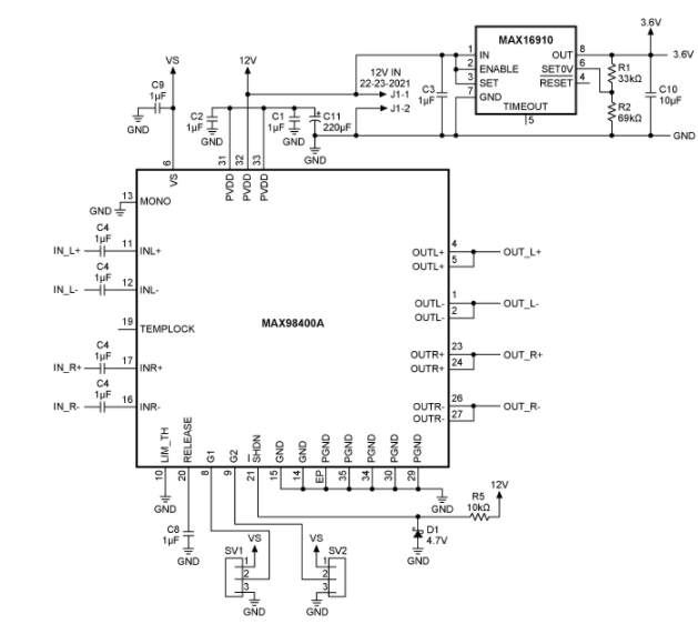
本设计中的立体声音频放大器是MAX98400A D类放大器。该放大器具有107 dB的高信噪比(SNR)。扬声器可以直接连接到放大器的输出,而无需输出滤波器,也不需要大而笨重的隔直流电容器。后一点非常重要。传统的D类放大器需要一个输出滤波器,以从放大器输出中恢复音频信号。MAX98400A依靠扬声器线圈的固有电感来恢复方波输出的音频成分。消除输出滤波器和隔直流电容器可节省PCB上的大量空间。
立体声音频放大器中集成了线性稳压器(MAX16910)。稳压器将12 V电源转换为3.6V。LDO输出连接到耳机的电池端子。LDO的输出电压可以在3.4 V至4.2 V之间。凭借其30 V(最大)输入电压以及内置的热保护和过载保护,MAX16910非常适合该应用。实际上,利用图6中所示的R1和R2值,LDO的输出电压将约为3.8 V,这在这里是理想的。

立体声音频放大器板原理图。
从图6可以明显看出,MAX98400A放大器需要很少的外部元件来实现其功能。放大器的增益由SV1和SV2选择;最大增益为32.9 dB,等于44.2 V / V:
[tex] GAIN_ {MAX} [dB] = 32.9hspace {1mm} dB [/ tex]
[tex] GAIN_ {MAX} [分数{V} {V}] = 10 ^ {分数{32.9} {20}} = 44.2分数{V} {V} [/ tex]
编辑:hfy