时间:2018-09-28 00:12
人气:
作者:admin
关键词: AK4629 , AKM , 多路音频CODEC
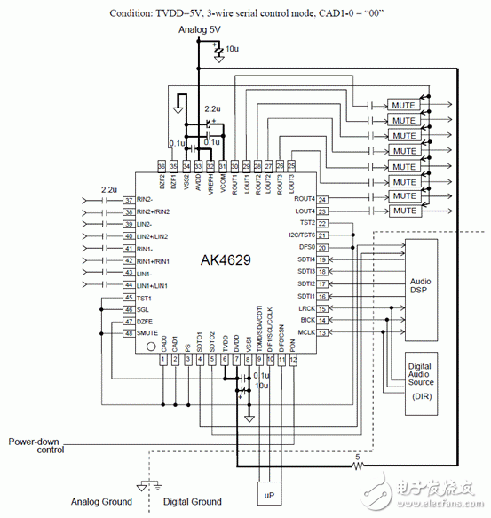
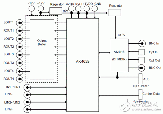
AKM公司的AK4629是高性能多路音频CODEC,包括四路24位ADC和八路24位DAC通路,ADC采用增强双比特架构,DAC采用先进的多比特架构,具有非常低的噪音性能.ADC的取样速率高达96kHz,DAC的取样频率高达192kHz,ADC的S/(N+D)为92dB,动态范围S/N为102dB(单端输入),DAC的S/(N+D)为90dB,动态范围S/N为102dB,主要用在家庭影院,pro audio音响和汽车音响设备.本文介绍了AK4629主要特性, 方框图, 典型应用电路图以及电源连接案例,AKD4629-A评估板主要功能,框图,电路图和元件布局图.
2011-8-8 10:18:37 上传
AK4629: High Performance Multi-channel Audio CODEC
The AK4629 is a single chip audio CODEC that includes four ADC channels and eight DAC channels.
The converters are designed with Enhanced Dual Bit architecture for the ADC’s, and Advanced Multi-Bit architecture for the DAC, enabling very low noise performance. The AK4629 ADC supports both single-ended and differential inputs and outputs. A wide range of applications can be realized, including home theater, pro audio and car audio. The AK4629 is available in a 48-pin LQFP package.
AK4629主要特性:
4ch 24bit ADC
- 64x Oversampling
- Sampling Rate up to 96kHz
- Linear Phase Digital Anti-Alias Filter
- Single-ended / Differential Input
- S/(N+D): 92dB (Single-ended, Differential)
- Dynamic Range, S/N: 102dB (Single-ended), 103dB (Differential)
- Digital HPF for offset cancellation
- I/F format: MSB justified, I2S or TDM
8ch 24bit DAC
- 128x Oversampling
- Sampling Rate up to 192kHz
- 24bit 8 times Digital Filter
- Single-ended Outputs
- On-chip Switched-Capacitor Filter
- S/(N+D): 90dB
- Dynamic Range, S/N: 106dB
- I/F format: MSB justified, LSB justified(20bit,24bit), I2S or TDM
- Individual channel digital volume with 128 levels and 0.5dB step
- Soft mute
- De-emphasis for 32kHz, 44.1kHz and 48kHz
- Zero Detect Function
High Jitter Tolerance
TTL Level Digital I/F
3-wire Serial and I2C Bus μP I/F for mode setting
Master clock: 256fs, 384fs or 512fs for fs=32kHz to 48kHz
128fs, 192fs or 256fs for fs=64kHz to 96kHz
128fs for fs=120kHz to 192kHz
Power Supply: 4.5 to 5.5V
Power Supply for output buffer: 2.7 to 5.5V
Small 48pin LQFP


2011-8-8 10:17:12 上传
下载附件 (45.68 KB)
2011-8-8 10:17:12 上传
下载附件 (10.32 KB)
2011-8-8 10:17:12 上传
下载附件 (25.17 KB)