时间:2018-09-28 00:25
人气:
作者:admin
关键词: Codec , MAX98089 , Maxim , 音频
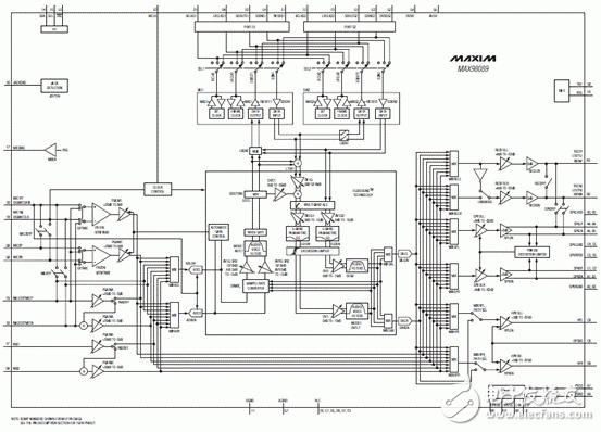
Maxim 公司的MAX98089是带扬声器保护的高性能低功耗的音频CODEC,具有101dB DR的立体声DAC(8kHz
2011-8-3 19:11:45 上传
The MAX98089 is a full-featured audio codec whose high performance and low power consumption make it ideal for portable applications.
Class D speaker amplifiers provide efficient amplification for two speakers. Low radiated emissions enable com-pletely filterless operation. Integrated bypass switches optionally connect an external amplifier to the transducer when the Class D amplifiers are disabled.
The IC features a stereo Class H headphone amplifier that utilizes a dual-mode charge pump to maximize effi-ciency while outputting a ground referenced signal that does not require output coupling capacitors.
The IC also features a mono differential amplifier that can also be configured as a stereo line output.
Two differential analog microphone inputs are available as well as support for two PDM digital microphones. Integrated switches allow for an additional microphone input as well as microphone signals to be routed out to external devices. Two flexible single-ended or differential line inputs may be connected to an FM radio or other sources.
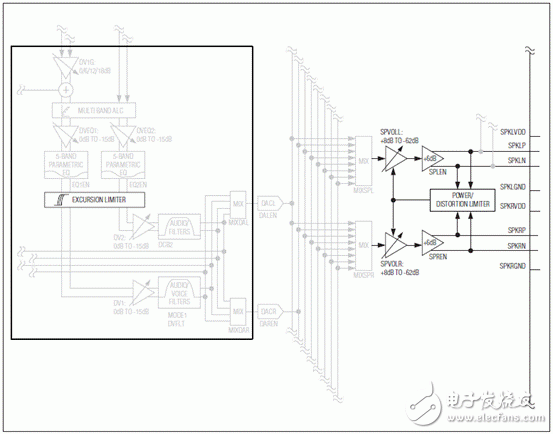
Integrated FlexSoundK technology improves loudspeak-er performance by optimizing the signal level and fre-quency response while limiting the maximum distortion and power at the output to prevent speaker damage. Automatic gain control (AGC) and a noise gate optimize the signal level of microphone input signals to make best use of the ADC dynamic range.
The device is fully specified over the -40NC to +85NC extended temperature range.
MAX98089主要特性:
5.6mW Power Comsumption (DAC to HP at 97dB DR)
101dB DR Stereo DAC (8kHz < fS < 96kHz)
93dB DR Stereo ADC (8kHz < fS < 96kHz)
Stereo Low EMI Class D Amplifiers 1.7W/Channel (8I, VSPK_VDD = 5.0V) 2.9W/Channel (4I, VSPK_VDD = 5.0V)
Efficient Class H Headphone Amplifier
Differential Receiver Amplifier/Stereo Line Outputs
2 Stereo Single-Ended/Mono Differential Line Inputs
3 Differential Microphone Inputs
FlexSound Technology 5-Band Parametric EQ Automatic Level Control (ALC) Excursion Limiter Speaker Power Limiter Speaker Distortion Limiter Microphone Automatic Gain Control and Noise Gate Dual I2S/PCM/TDM Digital Audio Interfaces
Asynchronous Digital Mixing
Supports Master Clock Frequencies from 10MHz to 60MHz
RF Immune Analog Inputs and Outputs
Extensive Click-and-Pop Reduction Circuitry
Available in 63-Bump WLP Package (3.80mm x 3.30mm, 0.4mm Pitch) and 56-Pin TQFN Package (7mm x 7mm x 0.75mm)


2011-8-3 19:11:45 上传
下载附件 (28.06 KB)
2011-8-3 19:11:45 上传
下载附件 (36.22 KB)
2011-8-3 19:11:45 上传
下载附件 (38.35 KB)