时间:2018-07-09 09:30
人气:
作者:admin
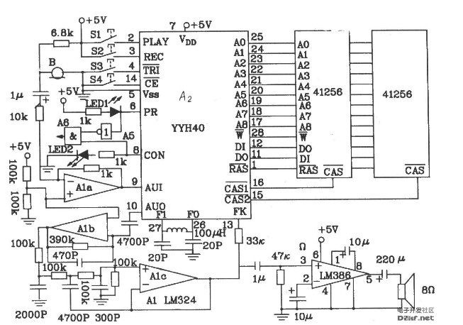
①采用自适应增量(8)调制(ADM)方式。
②YYH40的寻址能力512k位。
③外接存储器可选择一片或二片DRAM。
④采样频率为8~32 kbps。
⑤单电源供电,电源电压为 5v。
⑥可直接与电话线相连,驱动磁带录音机作为电话
留言记录。
⑦28脚双列直插封装。
YY1140引脚图如下图所示:


下一篇:语言录放电路ISD1000A系列