时间:2018-07-09 09:30
人气:
作者:admin
①语言录放电路ISD1000A系列按录放存储时间和采样速率的不同分为ISD1012A(12s、
10.6kbps)、ISD1016A(16s、8.0 kbps)、ISD1020A(20s、6.4 kbps)共三种。
②ISD1000系列语言电路实质是一个模拟数据采集系统,采用DTAS(直接模拟量存储)技术,录放的信息可以直接记录在芯片内部的EEPROM中,因而可以较好地保留语言模拟量中的有效成分,减少音质失真,提高录放质量,获得自然、逼真的音响还原效果。
③因片内有电可改EEPROM,所以可以随录、随放,任意改写或删除,不需专用的语言固化开发系统进行编程和烧录。重复录音次数为1万次以上,录放的信息可以保存10年以上,
断电后信息不会丢失。
④具有最多可存储160个信息段的能力。
⑤采用双列直插28脚和四方列直插28脚两种封装,单一 5V电源供电。


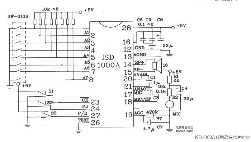
ISD1000A系列语音芯片的应用电路
S1、S2、S3分别为片选、状态控制、录放状态转换开关。