时间:2014-09-02 14:20
人气:
作者:admin
ADI公司的ADAU1452是汽车级的SigmaDSP音频处理器,全可编程增强声音处理,1.2V 32位SigmaDSP处理内核工作频率294.912MHz,每次采样速率48kHz,超过6144SIMD指令。主要用在汽车音频处理、导航系统、后排娱乐系统、DSP放大器、商用和专业音频处理。
ADAU1452汽车音频处理器处理能力远远超过早先的SigmaDSP器件。其重构的硬件结构进行了优化,可用于高效的音频处理。其音频处理算法采用了逐样本和逐区块的模式,可以同时用于信号处理流程(采用图形编程工具,SigmaStudio)。其新型的数字信号处理器(DSP)核架构,可以运行某些类型的音频处理算法(只采用很少的指令,大大少于以前几代的 SigmaDSP),从而大大提高了代码效率。

图1 ADAU1452功能框图

图2 ADAU1452带外接元件的系统框图
ADAU1452 内核工作频率294.912MHz,每次采样速率48kHz,而且,除了行业标准采样率外,它还具有各种各样的其它采样率。其灵活的,整数PLL时钟发生器硬件可同时产生多达15个音频采样率。这些时钟发生器,以及主板上的异步采样率转换器(ASRC)和灵活的硬件音频路由矩阵,使ADAU1452成为一个理想的音频中心,极大地简化了复杂的,多采样率音频系统的设计。
由于其高度可配置的串行端口,S/PDIF接口,以及多功能输入/输出引脚,ADAU1452可用于各种模数转换器、数模转换器、数字音频设备、放大器和控制电路。它也可以直接与PDM输出的MEMS麦克风相接(这要归功于专为这一目的而设计的,集成抽取滤波器)。其独立的主/从I2C/SPI控制端口,不仅可以允许ADAU1452进行编程(通过外部主设备配置),也可以直接编程和配置外部从属设备。以上这些功能,加上其自引导功能,可以不需要任何外部输入操作,所以是设计独立的系统。
其节电的DSP核,可执行完整的程序,而功耗只有几百毫瓦,并且可以最大程序加载运行,而功耗小于一瓦(即使在最坏的情况下,温度超过100℃)。这种相对较低的功耗和较小尺寸,使得ADAU1452成为通用DSP(消耗更多的功率)的理想替代品。
ADAU1452
主要特性
•汽车应用
•完全可编程音频DSP,用于增强声音处理
•具有SigmaStudio的特性,专有的图形化编程工具,用于自定义信号流的开发, 294.912MHz,
•3 2位SigmaDSP核,1.2V
•最高6144 SIMD指令/每样,48kHz 40kWords(参数/数据RAM)
•最高800ms数字音频延 时池(在48kHz)
•音频I/O和路由
•4串行输入端口,4个串行输出端口48通道,32位数字I/O最高192kHz的采样率
•TDM的灵活配置,I2S,左、右对齐格式和PCM
•最多8个立体声ASRCs(1:8)高达7.75:1的比例,139dB DNR
•立体声S/PDIF输入和输出
•4个PDM麦克风输入通道
•多通道,字节寻址TDM串行端口
•时钟振荡器用于产生主时钟(从晶体整数PLL和灵活的时钟发生器)
•集成芯片温度传感器
•I2C和SPI控制接口(两个slave和master)
•独立操作
•从串行EEPROM自启动
• 6声道,10位SAR辅助控制ADC
•14个多用途引脚,用于数字控制和输出
•片上稳压器,产生3.3V~1.2V电源
• 72引脚,10mm×10mm LFCSP封装与5.3mm裸露焊盘
•温度范围:-40℃~+105℃
ADAU1452应用
•汽车音频处理
•主系统
•导航系统
•后座娱乐系统
• DSP放大器(音响系统放大器)
•商业和专业音频处理

图3 评估板EVAL-ADAU1452MINIZ功能框图

图4 评估板EVAL-ADAU1452MINIZ布局框图
评估板EVAL-ADAU1452MINIZ
评估板EVAL-ADAU1452MINIZ具有访问ADAU1452的数字串行音频端口,以及一些通用I/O。通过AD1938编解码器提供了模拟I /O。其ADAU1452核是由Analog Devices公司的SigmaStudio软件控制(该软件通过USB接口连接到电路板上)。电路板由一个6V直流电源供电,通过调节,保证板上所需的供电。该印刷电路板(PCB)是一个4层设计,采用一个单一的接地平面,在内层有一个电源平面。该板包含连接器,用于外部模拟输入和输出和光纤 S/PDIF接口。主时钟是由集成振荡器电路,和板上12.288MHz无源晶振提供。
EVALADAU1452
MINIZ主要特性
• 4个模拟输入
• 8个模拟输出
•立体声S/PDIF输入和输出
•自引导EEPROM存储器
•评估板套件
• EVAL-ADAU1452MINIZ评估板
• EVAL-ADUSB2EBZ(USBI)

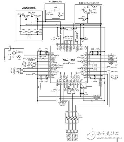
图5 评估板EVAL-ADAU1452MINIZ电路图: SigmaDSP音频处理器图
通信适配器
• USB连接线与mini-B插头
• 6V交流——直流电源