时间:2014-09-28 14:20
人气:
作者:admin
电路原理: TDA2030A功放板由一个高低音分别控制的衰减式音调控制电路和TDA2030A放大电路以及电源供电电路三大部分组成,音调部分采用的是高低音分别控制的衰减式音调电路,其中的R02,R03,C02,C01,W02组成低音控制电路;C03,C04,W03组成高音控制电路;R04为隔离电阻,W01为音量控制器,调节放大器的音量大小,C05为隔直电容,防止后级的TDA2030A直流电位对前级音调电路的影响。放大电路主要采用TDA2030A,由TDA2030A,R08,R09,C066等组成,电路的放大倍数由R08与R09的比值决定,C06用于稳定TDA2030A的第4脚直流零电位的漂移,但是对音质有一定的影响,C07,R10的作用是防止放大器产生低频自激。本放大器的负载阻抗为4→16Ω。
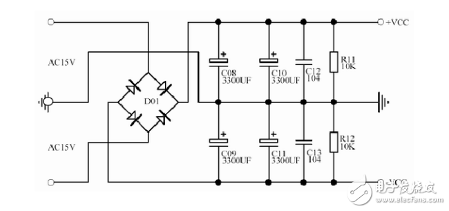
TDA2030A功放板的电源电路如下图所示,为了保证功放板的音质,电源变压器的输出功率不得低于60W,输出电压为2*15V,滤波电容采用2个3300UF/25V电解电容并联,正负电源共用4个3300UF/25V的电容,两个104的独石电容是高频滤波电容,有利于放大器的音质。
