时间:2014-10-08 14:19
人气:
作者:admin
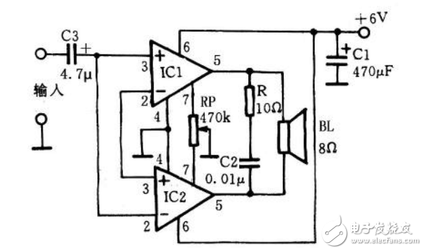
该电路是使用低功耗集成功率放大器LM386构成的OCL功放电路,电路结构简单,容易调试,非常适于自制。
电路工作原理:图中IC1和IC2是两片集成功放LM386,接成OCL电路。C1起到电源滤波及退耦作用,C3为输入耦合电容,R1和C2起到防止电路自激的功能,RP为静态平衡调节电位器。 IC1和IC2选用集成功放电路LM386,具有功耗低、电压适应范围宽、频响范围宽和外围元件少等特点。其工作电压为4V~16V,如图中工作电压为6V时,额定输出功率可以达到3W,适宜用来推动小音箱或作为设备的语音提示及报警功放。电阻R选用1/2W金属膜电阻器。电容C1选用耐压为16V的铝电解电容器;C2选用聚丙烯电容,C3选用钽电解电容。RP选用有机实芯电位器。扬声器BL根据实际需要选用8Ω,额定功率在10W以下的扬声器或音箱。

制作和调试方法:电路安装完成后,将音频信号输入端接地,调整RP,使IC1和IC2的两只5脚输出直流电压相等即可。由于LM386外接元件少,一般情况下都可正常工作。电路可安装在自制的印刷电路板上,也可在万能印刷电路板上来进行焊接。
下一篇:负反馈式的宽带放大电路图模块设计