时间:2010-12-28 15:56
人气:
作者:admin
随着国内经济的发展,人们把目光从组合音响转移到组建家庭影院。家庭影院的核心便是环绕音响系统,国内已进入AC-3时代,但必须和音箱设计相匹配,否则难以表现出它的优越性,国内杜比定向逻辑环绕解码器首推YAMAHA YSS-215等解码芯片,但其价格居高不下。M69032介格便宜,但分离度一般。总而言之,拥有杜比环绕声,必须投入大量的硬件来的信号线,它会令你的听音室逊色不少,如果你还没胡能力购置上述器材的话,不妨试试SRS系统,使两只音箱再现三维环绕声效果。SRS系统是用仿生学原理,按人耳聆听系统结构产生听音律,进行适当的处理后,用两只音箱实现三维环绕音场。本文介绍的这款高品质功放便是以SEAKO/NPC公司的SRS5250S IC芯片为核心,加之250WX2双超线性,无负反馈纯直流功放构成低价位,高品质家庭影院。
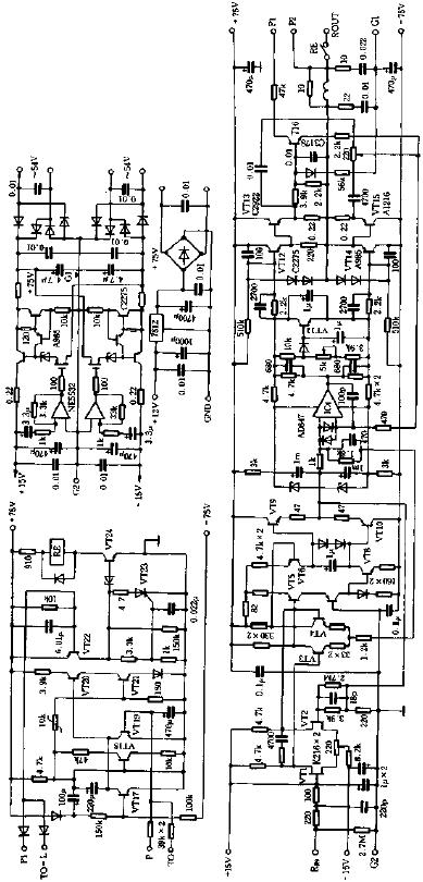
电路原理:



元器件选择:

上一篇:LM3886在家庭影院中的应用
下一篇:环绕立体声电路