时间:2010-08-06 16:46
人气:
作者:admin
系统结构与控制原理
升压+全桥逆变器和输出LC滤波器是大功率程控交流电源极为常用的拓扑之一。如图1所示,这是一种两级非隔离拓扑,其第一级是升压级,用于把模块整流电压升压到实际峰值直流电压(>325V);第二级是逆变级,用于把峰值直流电压转变为交流电压,再经LC滤波器得到50Hz的交流输出电压。全桥逆变器一般采用单极性控制方式,其特点是高频臂的两只功率管以较高的开关频率互补开关,保证可以得到理想的正弦输出电压波形;另两只功率管以较低的输出电压基波频率工作,从而很大程度上减小了开关损耗。该全桥逆变器并不是一个桥臂始终为低频(输出基频),另一个桥臂始终为高频(载波频率),而是以半个输出电压周期切换工作,即同一个桥臂前半个周期工作在低频,后半周则工作在高频,这样就保证两个桥臂功率管工作在均衡状态,提高了系统的可靠性。虽然该电路效率较高,但需要解决输入/输出之间的隔离问题。由于电缆测试仪的程控交流电源功率较小,若采用上述方案,则体积较大,且控制复杂。

图1 升压+全桥逆变器
若采用诸如LM1875单片集成功率放大器件,用±30V供电时,最大输出功率可达30W。其接法同TDA2030相似,有单双电源接法和BTL接法。BTL接法采用两片LM1875,连接成桥式电路,两边的电路结构和参数完全相同,右边的集成电路由左边的集成电路通过一负反馈电阻控制,反之亦然。它可获得更高的输出功率。如图2所示,二极管1N4007用于防止输出感性负载产生过电压而损坏器件。电路的放大倍数可由输出端至反相输入端的反馈电阻来决定。A类、B类、AB类等功放均是线性功放,信号总是停留在放大区,输出晶体管担当线性调整器来调整输出电压,其结果是降低了效率,限制了输出功率。

图2 LM1875的BTL接法
本设计采用D类音频放大器构成程控交流电源,只需对音频放大器的输入幅度控制就可以得到高纯度正弦交流电压。图3给出了所研制的程控交流电源系统结构框图,并且给出了每级的波形。其主电路由D类音频放大器+半桥和LC滤波器组成。

图3 D类音频放大器基本构成图
值得注意的是,半桥D类音频放大器因为能量可以双向流动而导致“母线电压提升”,这样会造成母线电容被充电。在半桥拓扑中,电源面临从功放返回来的能量而导致严重的母线电压波动或损坏,尤其是当功放输出低频信号到负载时。D类放大器区别于同步降压转换器的是,其参考信号是一个不断变化的音频信号,占空比围绕50%不断变化,电感电流双向,两个MOSFET作用相同。
主回路设计
采用国际整流器公司(IR) D类音频放大器的IRS2092,将误差放大器、PWM比较器、栅极驱动级电路和过载保护功能结合到一起,与IRS20955相比较具有很大的设计灵活性。用±100V供电时,最大输出功率可达500W,工作频率高达800kHz。如图4所示,它包括一个脉宽调制器、两个输出MOSFET和一个用于恢复被放大的音频信号的低通滤波器。由于输出500V正弦波有效值,输出端有一个低频升压变压器。音频输入信号与内部振荡器产生的三角波进行比较后,得到PWM信号,方波的占空比与输入信号电平成正比。没有输入信号时,输出波形的占空比为50%。图5显示了不同输入信号电平下所产生的PWM输出波形。

图4 程控交流电源主电路
使用D类音频放大器IRS2092的BTL接法,一个全桥使用两个半桥输出级,并以差分方式驱动负载。全桥结构是通过转换负载的导通路径来工作的,因此负载电流可以双向流动,无须负电源或隔直电容。在相同电源电压下,理论上提供的最大输出功率是半桥式放大器的4倍。它可以推广应用到更高输出功率的AC/AC转换电源。
关键技术设计
程控交流电源要求0~5V程控直流电平输入对应AC 0~500V(有效值)输出。通过改变D类音频放大器的正弦波输入的幅度即可实现最大500V正弦波对应输出。但是,首先需要解决0~5V程控直流电平如何转换成D类音频放大器的正弦波输入的问题。
CD4051是8通道数字控制模拟开关,有三个二进制控制输入端A、B、C和INH输入,相当于一个单刀八掷开关,开关接通哪一通道,由输入的3位地址码A、B、C来决定。INH是禁止端,当INH=1时,各通道均不接通。此外,CD4051还设有一个电源端VEE,以作为电平位移时使用,从而使得在单电源供电条件下CMOS电路所提供的数字信号能直接控制这种多路开关,并使这种多路开关可传输峰峰值达15V的交流信号。例如,若模拟开关的供电电源VDD=+5V,VSS=0V,当VEE=-5V时,只要对此模拟开关施加0~5V的数字控制信号,就可控制幅度范围为-5V~+5V的模拟信号。

图5 PWM输出波形
设计时,首先要考虑到如何产生固定幅度的正弦波基准信号以作为CD4051的模拟量输入。产生正弦波基准信号的方案有多种,可由文氏振荡器获得良好的正弦波形,也可先由比较器输出的方波经积分器得到三角波,再由差分放大器或采用低通滤波器的方法,实现三角波到正弦波的变换。
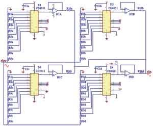
其次是高精度的正弦波基准信号的程控,最简单方法是使用微处理器进行12通道的A/D转换,用这12通道去控制CD4051的输入端A、B、C(INH=0时),即产生212=4096个状态。如图6所示,开关D1~D3控制模拟量低位,D4控制高位。通过合理计算R1a~R9d,0~4096个状态对应0~5V程控直流电平输入。需要注意的是,第4096状态产生的条件是12通道都为0时而第4个CD4051的INH=1时,它输出正弦波模拟量最大值。

图6 正弦波基准信号的程控图

图7 正弦电压输出波形
实验结果
采用上述主电路结构和控制方式研制了一台0~5V直流电平输入对应0~500V(有效值)AC输出的程控电源样机,固定频率50Hz,输出电流5mA,线性度≤1%,响应时间≤50ms,输出过流保护。5V程控正弦电压输出波形如图7所示,较好地满足了电缆测试仪程控电源的要求。