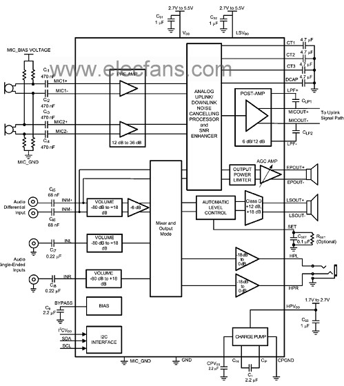
本文介绍了LM49155主要指标,简化方框图以及典型应用电路。LM49155是NS
公司的高度集成的PowerWise
音频子系统,集成了噪音抑制麦克风
放大器,1.35W单声道带ALC的D类放大器,带AGC的AB类耳机
驱动器,带开关机声抑制的高效立体声参考地耳机放大器以及
I2C模式选择和音量控制。主要用于
手机和手提
电子设备。
Uplink Noise Suppression & Downlink SNR Enhancement
Analog Audio
Subsystem
The LM49155 is a fully in
tegrated audio subsystem designed f
or portable handheld appl
ications such as cellular phones. The LM49155 combines a Noise Suppression microphone amplifier, a 1.35W mono class D amplifier with ALC, class AB ear
piece driver with AGC, a high efficiency, stereo, ground referenced he
adphone amplifier with click pop suppression and I2C modes select and volume control.
The LM49155 features analog fully differen
tial input, and differential output microphone amplifier designed to reduce b
ackground acoustic noise, while delivering superb speech clarity in voice communication applications. Downlink SNR enhancement with an advanced acoustic AGC technology to adjust output levels.
The LM49155 speaker amplifier features National’s unique output limiter that provides both a no-clip feature and speaker protection. The E2S class D amplifier features a patented, ultra low EMI PWM architecture that significantly reduces
RF emissions while preserving audio quality and efficiency. The headphone drivers feature National’s ground referenced architecture that creates a ground-referenced output from a single, low-voltage supply.
The LM49155 is av
ailable in an ultra-small 36-bump micro SMD package (3.434mm x 3.459mm x 0.6mm).
LM49155主要指标:
■ Uplink Far Field Noise Suppression Electrical FFNSE at f = 1kHz 34dB (typ)
■ Downlink SNR Enhancement Earpiece Amplifier
Near-Field SNR Enhancement 6 to 18dB (typ)
Downlink SNRIE 16dB (typ)
■ Class D Lou
dspeaker Amplifier RL = 15μH+8Ω+15μH
POUT, THD+N ≤ %, VDD = 5.0V 1.35W (typ)
■ Headphone Amplifier RL = 32Ω
POUT, THD+N ≤ %, HPVDD = 1.8V 19mW (typ)
LM49155主要特性:
■ Noise
cancellation for uplink and downlink without DSPtype artifacts, distortions or delays
■ Adapting AGC on ambient noise level & downlink signal strength for earpiece
■ Downlink adjustable noise-reducing high pass filter
■ E2S Class D Amplifier with ALC
■ Ground Referenced Headphone Outputs with Advanced Click Pop Suppression
■ Micro-power shutdown
LM49155应用:
■ Mobile Phones
■ Portable Electronic Devices

图1。LM49155简化方框图

图2。LM49155典型应用框图