时间:2009-12-24 17:02
人气:
作者:admin
125W D类超低音功率放大器电路设计
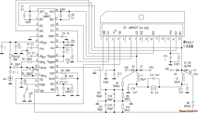
用LM4651和LM4652设计的125W D类超低音功率放大器电路如图所示。该放大器在总谐波失真THD=1%下的输出功率为125W,负载阻抗RL=4Ω,输入信号Vin(rms)最高电平为3V,输入信号带宽为10~150Hz,环境温度为50℃,电源电压为±20V。
采用28脚DIP封装的LM4651是PWM控制/驱动器IC,内置振荡器、PWM比较器、误差放大器、反馈放大器、电平移位与高端驱动器、低端驱动器及欠压、过热、短路和过调制保护电路。LM4652是采用15脚(其中6、8、9、{11}、{12}脚未连接)TO-220封装的半桥功率MOSFET IC,4只MOSFET的击穿电压V(BR)DSS=50V,漏极电流ID=10A,开通态电阻RDS(ON)=200mΩ(典型值),开启电压VGS(th)=0.85V(典型值)。
LM4651中振荡器频率fosc=1×109/(4000+Rosc),其中Rosc=R6=3.9kΩ,于是fosc=125kHz。输入音频信号经C1、R1和10脚输入到增益为7?5V/V(即17?5dB)的误差放大器。IC27脚和{15}脚上的半桥开关输出通过RC滤波器滤波后反馈至IC1的{14}脚、{19}脚经内部反馈测量放大器后再从9脚输出10脚,为误差放大器提供一个单端反馈信号。音频输入信号与振荡器产生的三角波进行比较,在PWM比较器输出端产生一个占空因数与输入音频信号电平成正比的方波脉冲,以驱动IC2中的功率MOSFET。IC27脚和{15}脚的开关输出,经L1、C16和L2、C17低通滤波,推动扬声器工作。
IC1{18}脚上的电阻R4用作短路电流限制。当R4=100kΩ时,短路电流电平不低于10A;{17}脚上的电阻R5用作设定死区时间;{24}脚上的电容C9用作设定启动延迟时间(1秒),{13}脚(STOBY)置于逻辑“1”或5V时,履行待机功能,停止脉宽调制,关断LM4652中的功率开关,仅消耗非常低的电流。只要IC2的结温达到150℃,其4脚的输出反馈至IC1的{12}脚,就可履行热关闭功能。
下一篇:警笛断续开关的设计方案