时间:2009-12-24 17:09
人气:
作者:admin
摩托车,电动车电子喇叭的原理及制作方法
设计原理:摩托车或电动车喇叭一般是使用电磁振动式的,其内部有一组线圈。通电后产生磁场,吸合振动膜发声,它的优点是结构简单。但是其工作电流大,一般最小工作电流也达1.5A,而另加装的高低音蜗耳式喇叭,工作电流高达3A,使用时对喇叭开关及线路易造成损坏,下面介绍一种低功耗高响度电子喇叭。
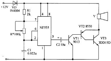
电路如图所示。NE555构成音频振荡器电路,音频信号经其3脚输出,直接耦合至由三极管 VT1、VT2、VT3构成的复合管功放电路进行放大,然后推动喇叭Y发声,因功放采用三管复合放大,故其放大倍数很大,所以该电路耗电省,响度高,达到122dB,经测定,其工作电流小于0.5A。
制作时,喇叭Y用4Ω、5W以上的小口径高音动圈式电喇叭,如能找到动圈式号筒形警笛喇叭则效果会更好;调节R 可改变Y的发音效果。也可通过改变C1的值来实现。注意Y要安装于防水处。