时间:2009-05-13 00:28
人气:
作者:admin
专业的音响放大器的输出匹配电路

音讯放大器的输出匹配电路。
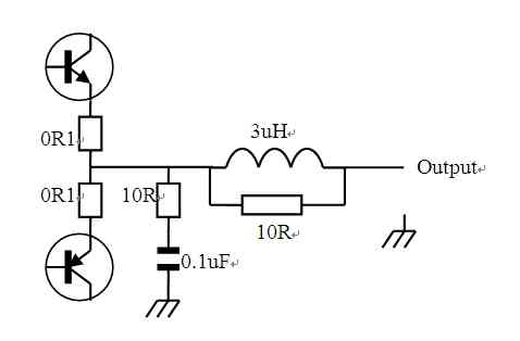
图中电阻器的作用是在一个较高的频率下将电流限制,以减轻对电容的额定值要求。电阻器的电阻值范围从4.7Ω到10Ω。大部份的情况下,电容的值选定为0.1μF以减轻输出扬声器在高频时的负载效应。随着输出的电平增加,被撷取进入‘Zobel’网络的电流也随之会上升。因此,在任何条件下输出网络中组件的额定功率都必须足够,建议为3W到5W。受到串联在一起的放大器输出阻抗、电缆阻抗及电感的影响,一个真实的扬声器频率响应会出呈现不平稳的特性,这比一个简单的并联电阻器和电容复杂。这种现象可能导致高频不稳定性。
在放大器的输出串联一个小线圈电感会增加稳定性。这种做法可以将放大器与关联电容隔离,且不会在音讯频率下引致明显损耗。电感值一般是1到7μH。选用合适的电感值便可避免在某一负载阻抗下出现高频滚降。这里建议采用空心电感来避免出现磁饱和问题。此外,还建议加入一个跨越输出线圈的阻尼电阻以降低输出LC网络的Q系数、过冲和振铃现象。传统上还要采用有几个奥姆的绕线型阻尼电阻器来避免自感。电阻器越低,过冲和振铃的效果便越小。由于输出电流的大小取决于输出功率和负载阻抗。因此应选用1W到5W额定的阻尼电阻器。
上一篇:高性能音频放大器的设计规则与技巧