Hi3510工作原理 Hi3510 -H.264 BP算法的视频压缩芯片Hi3510是
海思公司推出的一款基于H.264 BP算法的视频压缩芯片,该芯片采用
ARM+
DSP+
硬件加速引擎的多核高集成度的SoC构架,具备强大的视频处理功能。可实现DVD画质的实时编码性能,能自适应各种
网络环境,确保画面的清晰度和实时性,低码率的H.264编码技术极大减少网络存储空间,并通过集成DES/3DES加解密硬件引擎确保网络安全。Hi3510采用0.13μm工艺、LFBGA400封装,大小为19×19mm,引脚间距为0.8mm,片内集成了包括数字
视频接口、
USB、ETH、I2S、
I2C、GPIO、SPI、
UART、
SDRAM、
DDR等
接口,满足各种应用场景的设备开发的同时能大大降低了设备的BOM成本。
Hi3510的工作原理:视频输入单元通过ITU-R BT.601/656接口接收由V
ADC输出的数字视频
信息,并通过AHB总线把接收到的原始图像写入到外存(SDR SDRAM或DDR SDRAM)中;视频编解码器从外存中读取图像,进行运动估计(帧间预测)、帧内预测、
DCT变换、量化、熵编码(CAVLC+Exp-Golomb)、
IDCT变换、反量化、运动补偿等操作,最后将符合H.264协议的裸码流和编码重构帧(作为下一帧的参考帧)写入到外存中;视频输出单元从外存中读取图像并通过ITU-R BT.601/656接口送给V
DAC进行显示,应用的需求不同,视频输出单元从外存中读取的图像内容也不同,当需要对输入图像进行预览时,视频输出单元从外存中读取原始图像,当需要观察视频
编码器的编码效果时,视频输出单元从外存中读取编码重构帧;ARM对视频编码器输出的码流进行协议栈的封装,然后送网口发送,以实现视频点播业务。
如图1所示,该芯片由ARM+DSP+视频编解码加速器+图形引擎缩放器的核心构成,集成了丰富的外围接口,并内部集成包括如数字水印、DES/3DES算法,使得单芯片能适应基乎所有的工作,降低与其它芯片配合的开发难度,也免除
厂商对算法等标准部分的内容进行重复开发,大大降低了设备厂商的投入门槛。配合海思不同应用形态的开发包,可以开发出PMP、可视电话、网络监控、P
VR、可视对讲等各种
产品。

图1:Hi3510 H.264音视频编解码SoC逻辑框图。
Hi3510编解码方案的实现
作为SoC架构的编解码芯片,Hi3510在设计时充分考虑到兼容性和使用的方便性。支持几乎所有的公司生产的系列
AD/DA芯片。Hi3510既可以作为独立的编码器工作,也可以作为独立的解码器工作,也可以同时编解码工作,充分考虑到了编解码市场的各种应用场合。Hi3510是一个典型的多应用的单芯片解决方案,大大降低了设备的BOM组成和成本。如图2所示为芯片同时编解码的应用。

图2:Hi3510是一款典型的多应用的单芯片解决方案。
i3510编解码的应用
Hi3510自带的
Linux操作系统(同时支持
Vxworks、WinCE等开放式操作系统)和ARM
处理器,使得芯片除了编解码功能外,还可以实现许多丰富的应用功能开发。如图2所示,只要附加一片普通AD就可实现复合视频
信号的数字化、压缩和存储和传输的功能。Hi3510开发包提供上层A
PI接口,就可以调用实现所有的芯片功能,并能开发自己的个性化功能。图3为芯片的编码方案的应用设计。

图3:Hi3510芯片编码方案的应用设计。
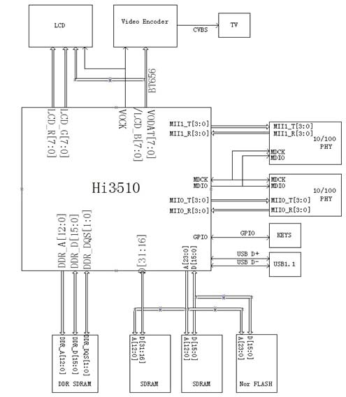
而解码器应用在架构设计上与编码器相同(方便方案可保持一致性,可实现一套硬件满足不通需求,只需要软件升级)。解码器只需要配搭DA芯片(如果是LCD数字屏幕可以节省该芯片),就可实现把数据码流解码的作用,并且通过GUI或者OSD实现用户人机互动的菜单操作,实现PMP等类似功能的产品应用。图4为芯片的解码方案的应用设计。

图4:Hi3510芯片解码方案的应用设计。
本文小结
H.264标准的应用,为视频的网络传输,尤其是低带宽下(如无线传输方式)的传输提供了技术支持。在信息爆炸的今天,市场要求设计人员推出产品的速度越来越快,而且为了保持产品的竞争力,在产品价格、产品应用功能特点上要保持足够优势,尤其是在多媒体市场领域。海思的SoC芯片在提供了标准算法的基础上,给予设计人员最大的灵活度以设计合适的产品,大大降低了厂商的投入成本,缩短了厂商的推出新产品的时间,为赢得市场做准备。