i3510编解码的应用 Hi3510自带的
Linux操作系统(同时支持
Vxworks、WinCE等开放式操作系统)和
ARM处理器,使得
芯片除了编解码功能外,还可以实现许多丰富的应用功能开发。如图2所示,只要附加一片普通
AD就可实现复合
视频信号的数字化、压缩和存储和传输的功能。Hi3510开发包提供上层A
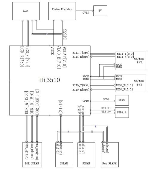
PI接口,就可以调用实现所有的芯片功能,并能开发自己的个性化功能。图3为芯片的编码方案的应用设计。

图3:Hi3510芯片编码方案的应用设计。
而解码器应用在架构设计上与
编码器相同(方便方案可保持一致性,可实现一套
硬件满足不通需求,只需要软件升级)。解码器只需要配搭DA芯片(如果是LCD数字屏幕可以节省该芯片),就可实现把数据码流解码的作用,并且通过GUI或者O
SD实现用户人机互动的菜单操作,实现PMP等类似功能的
产品应用。图4为芯片的解码方案的应用设计。

图4:Hi3510芯片解码方案的应用设计。