时间:2009-06-07 18:33
人气:
作者:admin
使用耗尽型FET的传统解决方案在电流和温度系数方面具有较宽的可变性。图1所示是一个具有两个晶体管、两个齐纳二极管的两端电流源。它提供的两端电流尚可,但却只有百分之几的精度。该电路工作于开环,因此不能提供闭环反馈电路那样的精度。因为齐纳二极管的温度系数与晶体管不能很好地匹配,所以基于齐纳二极管和晶体管的基射极电压VBE的变化,该电路会出现漂移和误差。此外,该电路两端需要最低约 3V的电压以正常工作。而诸如LT1004等齐纳二极管(实际上是一个IC)降低了最低工作电压。

图1:两端电流源。
LT3092克服了传统两端电流源的一系列问题,为设计人员增加了一个多功能的选择。通过使用一个单元或并联单元,电流源能够提供1mA低至更大的电流值。就电压、负载和温度进行的调节而言是相当不错的,即使在器件内部有复杂反馈电路时独特的设计方法也允许器件无需旁路电容器而进行工作。
LT3092具有较好的初始精度和非常低的温度系数。输出电流可以设置在0.5mA至200mA范围内。电流调节典型值为10ppm/V。LT3092在低至1.5V或高达40V时工作,它在1mA时提供100MΩ阻抗,在100mA时则为1MΩ。与其它大部分的模拟IC不同,专用设计技术已被用来实现无电源旁路电容的稳定工作,从而允许它提供高AC阻抗和高DC阻抗。

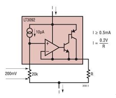
图 2:LT3092两端电流源。
图2显示了LT3092稳流器的基本原理框图,其架构非常类似于LT3080稳压器,但是它使用一个PNP晶体管作为输出电路。内部电路是微分且带缓冲的,具有一个调节器来隔离以使其免受电源变化的影响。这种隔离允许稳定工作而无需旁路电容器。此外,就可使电源反向的环境而言,LT3092可以避免反向电源电压引起的损坏,而且不传导电流,从而保护了负载。
内部电流源和放大器偏移是为了实现100dB或更好的电源变化抑制效果,因此其调节性能非常好。把RSET降至0Ω也将使输出调低至0V。
一个小的电压加在一个20kΩ的外部设置电阻上,以产生一个200mV的基准。这使决定电流的电阻R两端的电压为200mV ,那么总电流就等于0.2V除以R(10μA)。该稳流器在两端电压大约为1.5V至36V时工作,而且稳流性能和温度稳定性都极好。作为一个两端电流源,其负载可以在电路的正向支路中,也可以在对地支路中。
200mV的基准电压,将会对由于内部电流源变化和放大器偏移随电源电压变化而产生的误差进行补偿。随着电源变化,内部电流源的变化大约为50pA/V。内部运算放大器偏移的变化则少于5μV/V。假定电流源和放大器偏移都为最坏情况,使用一个200mV基准使放大器和内部电流源对产生的误差相同。如果通过使用一个50kΩ的电阻,将 200mV提高到500mV,那么内部运算放大器的偏移将减小。这改善了电流源相对于电源变化的稳定性。不过,回路的调节相当不错,一般情况下设置电阻的两端电压在100mV至200mV范围都是很合适的。
设置电阻还允许减轻微调总电流的负担。如果这个电路用在100mA的大电流情况,由于电阻R的值很小,微调电流会很难。不过20k电阻总是非常容易调节,以设置电流值到想要的水平。图3显示了启动时间,而图4显示在1mA输出电流值时电流源随温度的变化。

图3:达到1mA的启动时间不到20μs。

图4:基准电流随温度的变化。
提升电压一致性
就更高电压而言,电流源可以叠加,以能在更高的总电压时工作。图5显示了叠加电流源。

图 5:电流源叠加以实现更高工作电压。
针对相同的电流设立了两个电流源,并在每个电流源的两端布设一个限压齐纳二极管。在低电压条件下,递增更快的电流源将发生饱和,电流这时将交由另一个电流源来控制。当电压逐渐增加,齐纳二极管会被启动并开始传导电流。接着,饱和电流源两端的电压开始增加。而且,它将在电压继续增加的过程中调节电流。当电流控制从一个电流源移至另一个电流源时,在输出电流上的不连续性相当于两个电流源间的误差。这通常小于1%,而且同样无需旁路电容来使器件正常工作。
就较大设置电流和高电压而言,LT3092的功耗相当大。例如,30V和100mA相当于3W功耗,视乎PC板的热阻的不同,这可能引起温度极大地上升。一个外部电阻可以转移部分功率到其身上,并降低LT3092中的功耗。图6显示从该器件的输入至输出有一个电阻RX的基本电流源。只要总电流高于通过RX的电流,就不会影响稳定状态,而且该电流源的阻抗就不会变化。通过RX的电流在反馈回路内,而且随电压从输入到输出的变化而得到补偿。该电流流经内部PNP晶体管或外部电阻,而反馈回路保持总电流恒定。

图 6:具功率转移电阻的 100mA 两端电流源。
为了实现良好调节并具有合理的裕度,就该器件在最大电压时而言,经过RX的电流不应该大于所需电流的90%。图中的公式显示如何选择RX,以便流经RX的电流始终至少为流经LT3092电流的10%。通过将一些功率转移到外部电阻上,降低了最大内部功率。这极大地降低了器件中的功耗,并减小了温度上升幅度。该外部电阻的引入,对电路性能的影响微乎其微。
如果需要更大的输出电流,电流源可以直接并联。可以使用两个LT3092(有或没有功率转移电阻),并将其直接并联,以得到两倍的输出电流。图7显示一个以两端工作的300mA电流源。

图7:具功率转移电阻的并联电流源。
图8显示了另一种并联器件的方法。由于它需要的外部元件更少,因此可能是一种并联多个器件以获取大电流的更佳方法。在这种情况下,设置引脚连在一起,这使得稳流器的输出引脚相互之间相差在几毫伏之内。然后,稳流器输出为流经40mΩ稳流电阻之和,从而实现电流共享。这些电阻器通常编排在贴装器件的一小块PCB上。接着,我们就通过使用一个100kΩ的设置电阻,将电压降从200mV提高到1V。这样是为了最大限度地降低温度系数对印刷电路走线稳流电阻的影响。

图8:并联电流源以扩散热量并实现更大的输出电流。
这些由铜线组成的稳流电阻的两端压差大约为8mV。铜线的温度系数为每度0.3%,而这将影响整个电流源的温度系数。将基准电压从200mV提高到1V将使稳流电阻上的电压所占比例更小,而且就100℃的温度变化而言,这种影响将从大约1% 降低到0.2%。
将输出电流提高到400mA以上仅需一个额外的并联器件和一个稳流电阻,因此就大电流而言,这最大限度减少了器件数量。在高压时,我们通过RX分流IC周围的部分电流以降低器件功耗。
电流源可以驱动任何类型的负载。既然该器件实际上是一个复杂的集成电路,那么负载阻抗可能对内部电路产生影响,并引起一些不稳定性。尽管为了使该器件驱动各种负载时都是稳定而做出了很大努力,但是不稳定性可能依然存在。
使该器件稳定其实很容易。可以插入一个电阻与稳流器串联,或者在器件的Vin和Vout两端跨接电容器(基本上是一个旁路电容器)或串联RC。这给该器件一个已知的阻抗,使它在遇到未知阻抗时能够稳定。与旧式调节元件不同,该电容器可以非常小。
存在尖峰电压、噪声或射频的恶劣线路环境,将为噪声和尖峰提供一个旁路,从而保护稳流器的内部电路。就稳定性而言,可以使用低至1,000pF的电容。不过也可以使用0.01μF至1μF的电容。值得注意的是,有些陶瓷电容器具有非常高的电压系数,能够随着电压变化而从5改变至1。
电容在低频时不影响电流源的阻抗,因为像外部电阻 RX一样,它也处于反馈回路内部。就器件两端的AC变化而言,电流流经电容或LT3092的内部晶体管,因此阻抗不变。而在高频时,由于LT3092在带宽之外运行,阻抗相对于LT3092而言是呈容性的。
就工作时存在极大电压变化的负载而言,通过电容器的电流必须低于编程电流。否则当高于编程电流的电流经过电容时,回路就会损坏。器件可以容许的电压变化率率如图9所示,而且依然是约90%的电流流经电容,而不会影响LT3092电流源的阻抗。例如,在器件两端设置1mA负载和1μF电容的情况下,该电路将容许1000V/s的电压变化率。电容、电压变化率以及电流的其它影响可以非常容易地计算出。

图9:电压变化电路。
LT3092也可充当一个无需输出电容器的稳压器。“本质安全”应用常常用低电流与小电容(或不用电容器)来设计。图10显示了一个200mA的稳压器。而作为一个稳压器,在LT3092内部产生的10μA电流将流过一个外部RSET电阻器。SET引脚上施加的电压为该10μA电流与RSET阻值的乘积。内部电压跟随器在输出引脚提供与设置引脚相同的电压。负载从输出引脚连接到地。

上一篇:LCD电视机电源电路
下一篇:无电感器的开关调节器功用