时间:2009-03-23 22:06
人气:
作者:admin
Reference Design for Switching VGA Signals in a Laptop
Abstract: This application shows how the MAX4885E low-capacitance VGA switch can be used to perform the switching function in a laptop computer. The MAX4885E draws nearly zero current, fits into a 4mm x 4mm package, and incorporates most of the switches and active components used in a discrete implementation. All device outputs are protected to ±15kV Human Body Model (HBM) so that the designer can eliminate many ESD components, thereby reducing cost and saving board space. An application circuit shows the MAX4885E used for VGA signal switching between a laptop and docking station.
Analog VGA signals have been part of the PC world since IBM introduced PCs in 1987. Today most business-oriented laptops need to work with a docking station and with the vast number of existing projectors. Nearly all projectors have a VGA port which is the only common way for a typical user to hook up a laptop. Although digital connections such as DVI™ and HDMI™ are appearing, the vast majority of projectors still only support VGA.
The requirement to support VGA through the docking station and the VGA port will likely continue for many years, until one digital standard fully replaces the ubiquitous blue VGA connector on the laptop. Maxim introduced the MAX4885E low-capacitance VGA switch to perform that switching function.
The MAX4885E draws nearly zero current, fits into a 4mm x 4mm package, and incorporates most of the switches and active components used in a discrete implementation. All device outputs are protected to ±15kV HBM (Human Body Model), so that the designer can eliminate many ESD components, reduce cost, and save board space.
RGB switching requires high-bandwidth switches. The MAX4885E contains three SPDT switches that exhibit > 900MHz bandwidth at 50Ω, and > 600MHz at the more common 75Ω used for video. The QSXGA format (2560 x 2048) requires ~500MHz of bandwidth so that the third harmonic is passed and the quality of the waveform is preserved. Some designers use the older "bus switches" with 12pF of capacitance which compares to the 6pF for the MAX4885E. Those older bus switches, moreover, need ESD diodes which reduce the bandwidth further and add cost to the system.
DDC switching is also done on the MAX4885E, which uses a pair or SPDT n-Channel FETs to do the switching for the SDA and SCL. By actually switching the outputs, the system can only hook up to the monitor in use. Switching the outputs further reduces the capacitance that the DDC circuit will see, since only one device is connected at a time. In addition, all outputs are again protected to ±15kV (HBM), so no additional ESD diodes are needed. The gate of the FET is switched to a voltage level, VL. This voltage is normally the same as the GPU I/O (2.5V to 3.3V). The DDC signals are actually I²C signals, with pullup resistors on both sides of the switch. Since the signals going to the monitor can be as high as 5.5V, the GPU needs to be protected and level shifted. By biasing the gate of the switch FET to the same voltage of the GPU, the FET protects the GPU from signals that exceed the VL.¹ By using two SPDT n-Channel FETs, the GPU only has one capacitive load and is protected from high voltages and ESD events.
Horizontal and vertical synchronization signals are required to interface the GPU to full TTL-level signals. Pullups on the monitor can, in fact, pull these signals to +5.5V. The MAX4885E has a pair of level-translating buffers that take a signal between 0.8V and 2V and translate it to a full TTL output; the device can supply ±8mA, which meets the VESA specification. The output is referenced to 5V, so there is no issue with voltage compatibility. Again the horizontal and vertical outputs have ±15kV (HBM) ESD protection, so no added diodes are needed.
The MAX4885E integrates all the key switches, FETs, and buffers typically used for VGA switching into a tiny 4mm x 4mm TQFN package. However, many systems require some form of bandwidth limiting filter to prevent harmonics from radiating. The MAX4885E did not include any filtering for that function. Passive component values would be too large, and an active filter would require considerable current. While the MAX4885E could have integrated a triple-amplifier/filer, that would have made the device draw as much as 100mA—too much to be tolerated in a laptop. Instead, the device’s LC filter draws no current and accomplishes the same task. The MAX4885E draws < 5µA at idle and a few mA when driving the monitor for the horizontal and vertical buffers.
Table 1 shows how the MAX4885E replaces as many as 14 standard devices. Remember that the MAX4885E fits in a 16mm² package.
Table 1. Components Eliminated with the MAX4885E
| Quantity | Component | Function | Package | Size (mm²) | |
| 1 | 74FST3257 | R,G,B | 16-TSSOP | 35 | |
| 2 | 74LVC1G125 | H,V | SC70 | 8 | |
| 4 | 2N7002 | DDC | SOT23 | 24 | |
| 7 | NUP2301 | ESD | SC88 | 28 | |
| Total Savings |
14 | 95 |
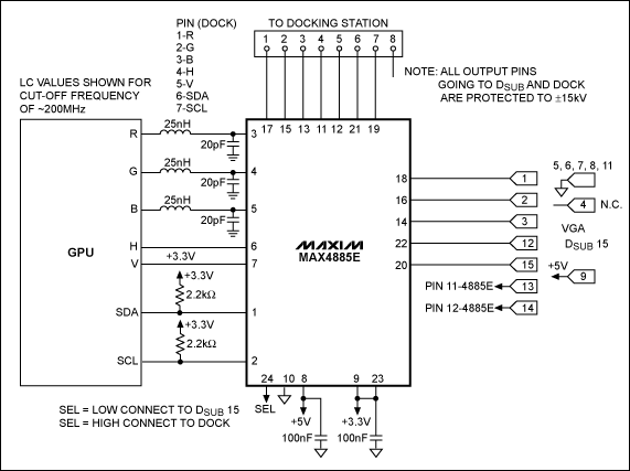
The circuit in Figure 1 shows the MAX4885E used in a docking station application for a laptop. All the critical components are present. All ESD concerns are managed, and only one control bit is required to select the dock vs. an internal connector. The circuit only draws a few µA at idle and a few mA to supply the horizontal and vertical buffers.
Figure 1. Application circuit for a VGA connection between a laptop and docking station features the MAX4885A VGA switch. The connector pin assignment for the docking station is determined by the designer. This design is just an illustration of one configuration.
DVI is a trademark of Digital Display Working Group (DDWG).
HDMI is a trademark of HDMI Licensing, LLC.
上一篇:新型扩音机耦合电路图
下一篇:数字图像的实时采集原理