时间:2008-11-26 08:45
人气:
作者:admin
井下救援远距离视频传输系统关键技术研究
本文所涉及的井下救援远距离视频传输系统关键技术研究就是对于井下救援安全性需求所进行的分析、研究和解决,通过在廉价的双绞线电缆上实现1500m的视频传输,保证图像色彩、亮度、轮廓等基本无失真,同时适应考虑防水、抗震、防尘、高温、腐蚀性气体等井下恶劣环境,并达到本质安全型防爆设计要求,最后将其产品化。
相关技术简介
1 双绞线技术
双绞线是一种柔性的通信电缆,包含着成对的绝缘铜线,因为它具有抗干扰能力强、传输距离远、布线容易、价格低廉等许多优点,价格便宜,所以被广泛使用。由于双绞线对信号也存在着较大的衰减,所以传输距离远时,信号的频率不能太高,而高速信号如以太网则只能限制在100m 以内。对于视频信号而言,带宽达到6MHz,如果直接在双绞线内传输,也会衰减很大,所以视频信号在双绞线上要实现远距离传输,必须进行放大和补偿,双绞线视频传输设备就是完成这种功能。加上一对双绞线视频收发设备后,可以将图像传输到1~2km。双绞线和双绞线视频传输设备价格都很便宜,不但没有增加系统造价,反而在距离增加时其造价与同轴电缆相比下降了许多。所以,监控系统中用双绞线进行传输具有明显的优势。
表1 MAX435和MAX436的主要性能指标

2 互导型放大器
互导型放大器(又称跨导型放大器)的输入信号是电压量,输出信号是电流量,其增益称为互导Gm。互导型放大器是一种电压/电流模式混合电路,由于其内部只有电压——电流变换级和电流传输级,而没有电压传输级,因此没有大摆幅电压信号和密勒倍增效应,从而具有频带宽、高频性能好及大信号转换速度高等特性。互导型放大器的电路结构简单,电源电压和功耗均得到了降低。

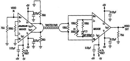
图2 视频双绞线驱动/接收电路
驱动电路采用互导型放大器将单端电压信号转成差分电流信号,通过电流环在双绞线上传输视频信号,接收端再把差分电流信号还原为单端电压信号。
3 MAX435和MAX436
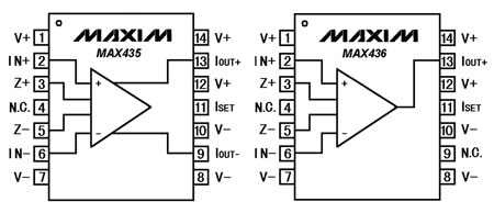
在这里互导型放大器采用MAXIM公司的MAX435和MAX436作为双绞线视频信号电路驱动。MAX435和MAX436是一种新型高速、宽带的互导型放大器,其引脚排列如图1、图2所示。它们具有理想差分、高阻抗输入和电流输出等特点。由于这些独特的结构,该芯片能够提供精确增益,不用负反馈就能消除闭环相移。

图1 MAX435与MAX436引脚排列图
设计与实现方法
1 电路设计
当传输距离小于1500m时,采用双绞线来传递基带视频信号也能获得很好的效果。和使用传统的同轴电缆相比,用双绞线传输信号时要注意两点:采用平衡(差分)传输以使 共模噪声最小;恰当端接以使反射最小。由于MAX435和MAX436在10MHz时共模抑制比能达到53dB。而且输入输出阻抗又都很高,所以特别适用于这样的应用场合。
实际电路如图2所示。从图中看出,MAX435和MAX436组成双绞线视频传输电路的驱动器/接收器,只采用一个差分输出的MAX435即可驱动平衡双绞线(其输入信号以地为基准),从而省去了平衡变压器或两个单端输出驱动器。为了实现平衡到单端线路的变换,其接收器电路采用了单端输出的MAX436。IN+到IN-间的100Ω电阻器使线路的终端连接十分合理。互导网络(从Z+到Z-)不仅完成增益调节(+6dB)。而且还起到线路均衡的作用,从而提高接收器的高频增益。
在图3电路中,可以通过调整R1提高整体增益对欧姆损耗进行补偿来得到合适的亮度,通过调整C1(增添零/极点对以扩展频带)来获得最佳的色彩。由于调整是在接收器端进行的,所以用户可以在接收端一边观察屏幕一边调整R1和Cl,从而得到最佳图像。
2 测试结果
图3(a)和图3(b)是从监视器屏幕上看到的调节前、后的视频脉冲波形。试验结果表明,当本电路用165m长的φ0.71mm防盗报警器用双绞线传送NTSC基带视频信号时,3.58MHz色同步信号的衰减约为6dB。虽有失真,但由于监视器对信号衰减具有自动均衡补偿(对色同步信号的衰减补偿可达10dB),故图像质量仍然很好,无明显彩色变淡或水平分辨率变差的现象。但若衰减量进一步增大,则色度和水平分辨率变差、难以看清显示的图文。
图3(a)调节均衡前的波形(b)调节均衡后的波形(c)在双绞线上加50Hz的共模噪声电压
当本电路用长330m的电话双绞线在两幢大楼之间传送NTSC录像机视频信号时。图像质量良好。又故意在两根平衡的绞线上各加上图3(c)所示的50Hz的共模噪声电压进行试验,图像质量未受影响。
这是由于MAX436对60Hz信号具有60dB的共模抑制比,使这种噪声不致影响图像。如果用不平衡的单端方式来驱动电缆,则效果之差是可以预料的。虽然上述试验只用了NTSC视频信号,但本电路用于载波为4.43MHz的PAL制视频信号仍可取得相似的效果。
结论
在许多不要求电缆具有很宽的带宽的场合中,用双绞线代替昂贵的同轴电缆不仅可以降低线路的铺设成本,而且两根绞线感应的差分干扰电流可以互相抵消。只要采用适当的绞线,并在接收端的监视器进行阻抗匹配和自动增益补偿(目前大多数电视监视器都具有此功能),其传送基带(复合)视频信号的距离可远达1500km,而且图像质量并不差,能够保证图像色彩、亮度、轮廓等基本无失真。
后期加工外壳时,适当考虑防水、抗震、防尘、高温、腐蚀性气体等井下恶劣环境,并达到本质安全型防爆设计要求,则可以将其产品化。
综上所述,该技术适应井下救援所需要的低成本,快速铺设,使用简单,维护方便等诸多要求。而且此技术还可以在超级市场、机场、学校等单位广泛用于电视监视系统中的单通道视频信号传送。
下一篇:LED显示屏基本构成