时间:2007-12-19 15:40
人气:
作者:admin
傻瓜175、275集成功放模块
傻瓜175、275集成功放模块
被称为“傻瓜IC”的集成电路模块,爱好者也称之为“一脚踏”的功放电路。它的输出级采用了N沟道和P沟道的绝缘栅场效应管,具有动态频响宽、电源电压范围广和输出音色优美等特点。在集成块内部电路上还设计了过压、过热自动保护及可自行恢复的电路装置。应用时无须外接电阻电容等元件,即便不懂电子电路的人,接上音箱,接通直流电源,音响设备就可以方便地工作了,故美称“傻瓜”功放。
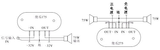
“傻瓜”功放有单路输出(傻瓜175)、双路输出(傻瓜275)和不同功率输出等多种规格。傻瓜功放主要技术参数见附表1-18所列。
从表中参数可看出,它们都可以在电源电压变化一倍的情况下照常工作。加上散热片后可以有最大75W的输出。“傻瓜”功放的应用电路如附图1-26所示。图中给出了175功放,275功放两种应用电路。从图中可以看到,除了喇叭电源之外,不需要再接任何元器件,使用起来非常方便。
应用时要注意以下事项。
(1)傻瓜功放对供电电源要求不太高,可以用全桥整流直接供电。超电压时,电路会自动停止工作,电压降至正常值时,电路可自动恢复工作。
(2)要按规定配接铝散热片,由于散热片与内部电路进行了电隔离,所以散热片可以直接与外壳接触,安装时最好涂一层硅脂,以保证散热片的良好接触。
(3)接集成块的各种引线不要扎捆,以防各线之间耦合,产生自激,应松散分布,输入信号线最好采用金属隔离线,以防交流电感应产生交流声。

下一篇:数字电路视频教程