时间:2006-04-17 23:23
人气:
作者:admin
早闻NE5539运放超凡的电性能指标,但高达1200MHz的增益带宽积是否会使它在音频方面应用产生难以克服的问题呢?受不了其高达14mA静态电流的甲类输出、600V/μs的转换速率及4nV 的电流噪声的诱惑,故试制了10倍前置放大器,结果非常理想。经同使用AD847比较,噪声明显减小,高频更纤细,中频更玲珑,低频的结像及控制力有提高。两IC目前的价格相当,但NE5539的假货可能还没有出现。
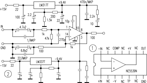
NE5539N的管脚排列较为罕见,见图1,所以如此,是由其高性能所决定。因此,在设计印板图时,必须遵循高频电路的设计原则施行。设计原则为:1?大面积包围接地(特别注意该IC的7脚为接地端),为此使用双面敷铜板,元件面为“地”覆盖。业余制作情况下,在适当位置通过钻孔、穿线,同印刷面“地”相焊。2?负反馈电阻应靠近负输入端。3?使用低内阻电源供电。为简化制作,使用LM317、LM337构成。应指出,该IC的供应电压不应超出±12V,这里使用±9~10V。另外,稳压后的滤波电容容量不应大,这里取22μF。4?为发挥其动态范围,在靠近IC电源脚处加 取值适当的RC串联回路,见图2。5?为保证低噪声,负输入端对地电阻取值应足够小,这里取100Ω。6?经试验,5与{11}脚的频率补偿端需并100pF左右电容。7?由于该IC的输入失调电压较大,为2?5mV,故不能取消隔直电容。
笔者设想,使用NE5539推动高fT的大功率管,构成电子分频的甲类高音功率放大器,肯定有上佳的表现。如要增加功率输出,则应增加一级由高电压供电的电压驱动级。

上一篇:电压跟随器对音质的改进作用