时间:2006-04-17 23:26
人气:
作者:admin
一、 电路原理与特点
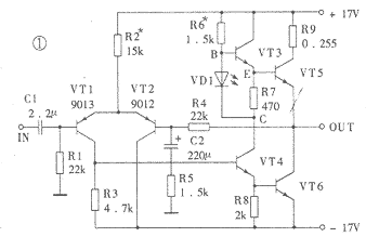
1.功放部分(见图1)

由VT1、VT2组成差动放大电路,每管静态电流约为0.5mA。R3为VT1的集电极负载电阻,VT1与推动级VT4之间为直接耦合。输出级由两只型号相同的NPN型大功率晶体管VT5、VT6组成,而没有采用互补对称推挽电路。输出管VT6对于负载(扬声器)来说是共发射极电路,而VT5则是射极输出电路,因此是不对称放大。但实验测试表明,整个放大电路在取消大环负反馈(将R5短路)时的开环失真却很小,而且主要是偶次谐波失真。这个功劳应该归功于推动级电路。推动电路是本机最具特色的电路,它的作用和效果与传统的RC自举电路相比,有过之而无不及。VT4为集-射分割式倒相电路,分别由其集电极和发射极输出一对大小相等、方向相反的信号。VT4对于输出管VT6来说为射极输出电路,电压放大倍数小于1。从VT4集电极输出的信号通过交流电阻很小的发光二极管VD1,加到输出推动管VT3的基极。VD1的正向导通压降约为1.9V左右,可看作一个噪声很小的稳压二极管,它使得VT3的发射极电阻R7两端的直流电压UEC基本不变,约比VD1的稳压值小0.7V。对交流信号而言,R7是与VT3的发射结电阻相并联的。VT3和VT5组成同极性达林顿式复合管。因此推挽放大的上臂是由一级共射放大电路(VT4)和二级射极输出电路(VT3、VT5)构成的, 而推挽电路的下臂是则由一级射极输出电路(VT4)和一级共射放大电路 (VT6)构成,可见是不对称的推挽放大电路。故在选择放大管时,这几只管子的电流放大系数也不必配对。 这一点在工厂大批量生产时尤为重要,可以大大降低成本。该样机各管β值如下:β1=β2=110, β3=50,β4=90,β5=70,β6=90。也就是说,要把β值较大的管子优先安排为VT4和VT6。该功放电路的开环电压放大倍数约为504,闭环电压放大倍数由R4和R5决定, 约为15.7。甲类推挽功率放大电路的理论最高效率为50%,该样机实测最大不失真输出电压的有效值为11V,折合成输出功率约为15W(8Ω),静态功耗约为40W,因此最高效率为37.5%。当无信号输入时,效率为零,40W功率几乎全部消耗于两只输出管上,因此要加上足够面积的散热器,并且保证通风情况良好。
总之,该功放有以下特点:(1)功率输出管的电流放大系数不需配对;(2)用笔者设计的推动电路取代了传统的自举电路,频率响应好;(3)输出电压幅度大;(4)电路简单、调整容易、便于制作。
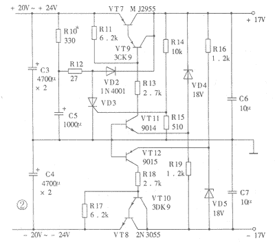
2.稳压电源部分(见图2)

由于功放为OCL电路,输出端与扬声器直接耦合,故一般应加装延时保护电路,但由于该机采用了具有短路保护及软启动功能的±17V双路稳压电源,故省略了这部分电路。正负稳压电路均采用集电极输出式调整电路,效率高且具有短路保护功能,但不能够自启动。VT7、VT9组成复合电源调整管。VT11为取样放大管。由于VT11的基极接地,故发射极电位必须为-0.7V才能使它工作于放大状态。所以R19的下端不能接地,而是接至-17V。所以,如果万一负输出电源对地短路,将会使 VT11的发射极与基极间的电压为零,从而使VT11截止,这样调整管VT9、VT7因得不到基极电流也截止,结果使得正输出电源电压为零。由于正、负稳压电路是对称的,故当正电源对地短路时,也会使负电源电压为零。功放电路的输出端省却了扬声器保护电路的原因也在于此,万一有一只输出管发生击穿短路,另一只输出管也会由于上述保护功能而得不到电源电压,这样扬声器中就不会有大的直流电流通过,从而有效地保护了扬声器。
该电源的输出电压基本上由VD4、VD5两只稳压管的稳压值决定,约比它们的稳压值低0.7V左右(即减去VT11、VT12的发射结直流压降),故对两只稳压管要仔细挑选配对。
输入端滤波电容器每边采用两只4700μF的电解电容器并联使用,而输出端的滤波电容器每边仅采用一只10μF的无极性电容器。通过样机实测,当输出电流为2.4A(满载)时的纹波电压很小:正电源侧为0.8mV,负电源侧为1.25mV。此外,波形并非100Hz的锯齿状,而是频谱较宽的噪声状。
该电源的稳压性能之所以较好,一是由于集电极输出式稳压电路的调整管具有一定的电压放大倍数,二是由于取样电路的取样比等于1,输出端的电压变化直接通过VD4、VD5耦合到了取样放大管VT11、VT12的发射极。
为了消除一般OCL电路开机时通过扬声器的冲击电流造成的“噗”声,该电源还设计了软启动电路。其工作原理如下:开机后,滤波电容器C3上的正电压通过R10向C5充电,C5上的电压按指数规律上升。该电压通过R12及VD2加到正电源输出端,同时通过R16为VT12的发射极提供电流,使负电源也同时启动。电源电压达到正常值后,正输出电压通过R14给单向可控硅VD3提供触发电压而使它导通。VD3导通后,其阳极电压降低到0.7V以下,故二极管VD2截止。C5上的电压通过R12和VD3放电。延迟时间由R10、C5时间 常数决定,本例中此常数为0.33秒,开机时音箱中一点儿声响都没有。
该电源的效率很高,调整管集电极和发射极之间电压降至1V时,输出电压仍可保持稳定。若市电交流电压为220V时,稳压电路的输入电压设定为±22V(带额定负载),则可以使稳压电源在市电变化±10%时,仍工作在最佳状态。若以调整管压降为7V计算,在满负荷2.4A时的管耗约17W,因此只需较小的散热器,此时效率在70%以上。当调整管压降为3V时,效率为85%。
总之,该电源电路特点是:具有软启动功能;具有正负电源分别短路或同时短路的保护功能,可省去扬声器保护电路;高效率,约70~85%以上;低纹波系数。
二、制作与调整要点
1.元器件的选择
功率输出管VT5、VT6选用东芝的2SC3281,β在70~110之间。实验时也曾选用过三肯的2SC 2922,但发现容易产生高频自激。推动管VT4选用NEC的2SD401,β值为70~90,VT3也用2SD401,β在50~70之间。当输出管的β值在100以上时,VT3、VT4也可选用国产管3DG130(3DG12)。输入级VT1、VT2可选用9012或9015等,β值在100左右,不宜太高,但要求配对;也可选用P沟道结型场效应晶体管,但耐压应不低于40V(因手头无此类管子,故未曾实验)。电阻的功率R6、R10应选1W以上,R7、R16、R19应选1/2W以上,其余不作要求。电阻 R9采用两只1W、0.51Ω电阻并联,作为测量时取样使用。稳压管VD4、VD5应选1W以上功率的。单向可控硅可选1A电流的任何型号。
电源部分的VT7、VT8选用MJ2955和2N3055或其它互补配对管,要求β大些,最好大于80。推动管VT9、VT10选用中功率管3CK9、3DK9等,β值在50~80之间。取样放大管VT11、VT12选用9014和9015,β值大于100。还要注意正负电源各对应管的β值应该相近,即大致配对。电容C1、C6、C7选用涤纶或聚丙烯电容。稳压电源输入滤波电容C3、C4采用四只4700μF35V优质电解电容两两并联使用。
电源变压器功率容量应不小于100VA,次级交流电压双18V,电流3A以上。整流管可用1N5401。
2.调整要点
电源部分几乎不需要调整。如果电源不能自启动,则应适当减小R10的数值,但应在满载时能够自启动的前提下尽量大一些,以增大延迟时间。功放部分的调整可归结为两项;一是调整R2使输出端电位等于零;二是调整R6使R9上的压降等于0.3V,此时末级静态电流约为1.18A。注意一开始可将电流调得稍小些,如0.9A,等预热一段时间以后再调到上述规定的数值。
3.电路的变通
该功放电路稍加改动即可变为 OTL电路,此时稳压电路可以省去负电源部分。OTL电路虽然技术指标的测试结果不及OCL电路,但音色却别有风味。OTL电路由于使用了输出电容器,虽然会影响频率特性,但却使扬声器的安全得到了保障。限于篇幅,此处不再赘述。
三、主要技术指标
该功放的主要技术指标如下:最大输出功率为15W(8Ω);频率响应为5Hz ~ 44kHz (-1dB,10W,8Ω);电压增益为24dB;输入灵敏度为0.7V(rms)。
经过反复试听对比,大家一致认为该功放在播放人声时 ,嗓音显得宽厚圆润,流畅自然,能将演唱者的感情表达得很好。小提琴的表现不毛不燥,解析力很高。但对于动态范围较大的交响乐来说,本功放则显得有些力不从心,但觉得低频量感比较适中,能将各种乐器的轮廓刻画出来。虽在大动态时显得逊色一些,因为它毕竟只有15W的有效值功率。因此它作为家庭欣赏音乐用极为合适,达到了预期的设计目的 。
上一篇:功放发烧拾贝