全球最实用的IT互联网信息网站!

AI人工智能P2P分享&下载搜索网页发布信息网站地图

当前位置:诺佳网 > 电子/半导体 > 音视频/家电 >

[组图]运算放大器----LM308/LM308A

时间:2006-04-15 13:04

人气:

作者:admin

标签: 308A  组图运算 

导读:[组图]运算放大器----LM308/LM308A- LM308是精密运算放大器,对非稳压电源有足够电源抑...

LM308是精密运算放大器,对非稳压电源有足够电源抑制,其工作温度范围0~+70 C,它在10M欧电源阻抗下工作误差比在10K欧电源阻抗下工作小,积分器漂移小于500uV/秒,采用不大于1uF电容可获得大于1小时的模拟时间延迟。
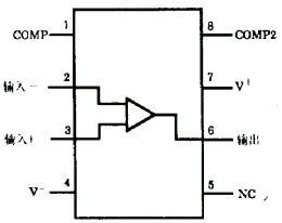
1,特性:2.管脚排列
  • 最大输入偏置电流0.3nA
  • 失调电流小于400pA
  • 电源电流只有300uA(含饱和时)
  • 保证漂移特牲

3.内部框图:

温馨提示:以上内容整理于网络,仅供参考,如果对您有帮助,留下您的阅读感言吧!
相关阅读
本类排行
相关标签
本类推荐

CPU | 内存 | 硬盘 | 显卡 | 显示器 | 主板 | 电源 | 键鼠 | 网站地图

Copyright © 2025-2035 诺佳网 版权所有 备案号:赣ICP备2025066733号
本站资料均来源互联网收集整理,作品版权归作者所有,如果侵犯了您的版权,请跟我们联系。

关注微信