全球最实用的IT互联网信息网站!

AI人工智能P2P分享&下载搜索网页发布信息网站地图

当前位置:诺佳网 > 电子/半导体 > 音视频/家电 >

[图文]双通道音频功率放大器-1521

时间:2006-04-15 13:04

人气:

作者:admin

标签: 1521  图文双通 

导读:[图文]双通道音频功率放大器-1521- CD1521是2*12W低失真双通道音...

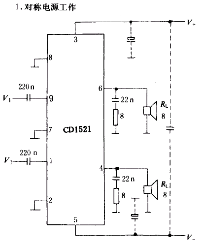
    CD1521是2*12W低失真双通道音频功率放大器。其特点是输出功率大、失真小、输出失调电压低、通道平衡度好和带有过热和短路保护。在电源通断时,具有静噪抑制功能。该器件尤其适合用于立体声馈送(如立体声收音机和立体声电视音响)。它的外围元件很少,特别适合初学者制作。本人当初也用它做过一个小功放呢,现在在后面别外加上一个音调,还在用着呢!

CD1521采用9引线塑料单列直插封装。结构框图(代换型号)见:TDA1521。

典型电路

 

2.单电源工作。

温馨提示:以上内容整理于网络,仅供参考,如果对您有帮助,留下您的阅读感言吧!
相关阅读
本类排行
相关标签
本类推荐

CPU | 内存 | 硬盘 | 显卡 | 显示器 | 主板 | 电源 | 键鼠 | 网站地图

Copyright © 2025-2035 诺佳网 版权所有 备案号:赣ICP备2025066733号
本站资料均来源互联网收集整理,作品版权归作者所有,如果侵犯了您的版权,请跟我们联系。

关注微信